EasyManua.ls Logo

Nuvoton NuMicro MS51PC0AE - Figure 6.6-2 PWM1;2;3 Block Diagram

Default Icon
491 pages
Print Icon
To Next Page IconTo Next Page
To Next Page IconTo Next Page
To Previous Page IconTo Previous Page
To Previous Page IconTo Previous Page
Loading...
MS51
Nov. 28, 2019 Page 321 of 491 Rev 1.00
MS51 32K SERIES TECHNICAL REFERENCE MANUAL
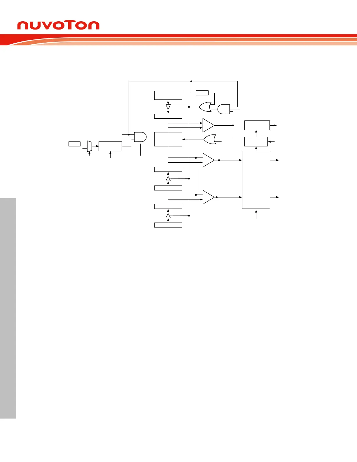
PWM mode, mask output and PWM polarity. The last stage is a multiplexer of PWM1/2/3 output or I/O
function.
16-bit
up/down
counter
PWMn_CH0
PWMn_CH1
Pre-scalar
INTSEL[1:0], INTTYP[1:0]
(PWMnCON0[3:0])
PWMRUNn
CLRPWM
(PWMnCON0.4)
PWMnP
registers
LOAD (PWMnCON0.6)
PWMF
(PWMnCON0.5)
PWMnP buffer
PWMnC0 buffer
PWMnC0 Register
0-to-1
PWMn and
Fault Brake
output
control
PWMTYP
(PWMnCON1.4)
edge/center
Interrupt
select/type
PWMDIV0[2:0]
(PWMnCON1[2:0])
PnG0
PWMn interrupt
Brake event
(PWMn_BRAKE)
0
1
Timer 1 overflow
PWMCKS
(CKCON.6)
F
PWM
=
Counter
Matching(edgealigned)/
underflow(venter aligned)
F
SYS
clear counter
=
PWMnC1 buffer
PWMnC1 Register
PnG1
=
(PWMnPH,
PWMnPL)
(PWMnCH0H,
PWMnCH0L)
(PWMnCH1H,
PWMnCH1L)
Figure 6.6-2 PWM1/2/3 Block Diagram

Table of Contents

Related product manuals