EasyManua.ls Logo

Omron CP1H CPU - Page 729

Omron CP1H CPU
788 pages
Print Icon
To Next Page IconTo Next Page
To Next Page IconTo Next Page
To Previous Page IconTo Previous Page
To Previous Page IconTo Previous Page
Loading...
695
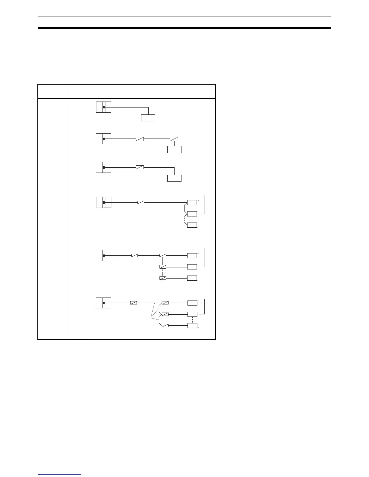
Connections to Serial Communications Option Boards Appendix F
(2) The terminating resistant setting shown above is an example for the NT631/NT631C. The setting
method varies with the PT. Refer to the manual for you PT for details.
Connections for Serial Gateway and No-protocol Communications
This section describes the connections for Serial Gateway, and no-protocol communications. Up to 32 nodes
can be used for 1:N connections.
Note (1) The maximum cable length for RS-232C is 15 m. The RS-232C standard, however, does not cover
baud rates above 19.2 Kbps. Refer to the manual for the device being connected to confirm support.
(2) The combined cable length for RS-422A/485 is 500 m including branch lines.
(3) The maximum cable length is limited to 2 m when an NT-AL001 Link Adapter is connected.
(4) Branch lines must be a maximum of 10 m long.
Port Configu-
ration
Schematic diagram
RS-232C 1:1
RS-232C 1:N
Resistance
ON
NT-AL001
Resistance ON
NT-AL001
RS-232C
RS-232C
interface
RS-232C
RS-422A/485
RS-232C
interface
NT-AL001
RS-232C
RS-422A/485
Resistance
ON
RS-422A/
485
interface
5-V power
NT-AL001
RS-232C
RS-232C
RS-422A/485
RS-232C
interface
NT-AL001
RS-232C
RS-422A
/485
Resistance ON
RS-422A/485
interface
RS-422A/485
interface
B500-AL001-E
Resistance ON
Resistance
ON
Resistance ON
NT-AL001
NT-AL001
RS-232C
RS-232C
RS-232C
Resistance ON
5-V power
Resistance
ON
RS-422A/485

Table of Contents

Related product manuals