EasyManua.ls Logo

Omron CP1H CPU - Data Registers

Omron CP1H CPU
788 pages
Print Icon
To Next Page IconTo Next Page
To Next Page IconTo Next Page
To Previous Page IconTo Previous Page
To Previous Page IconTo Previous Page
Loading...
177
Data Registers Section 4-16
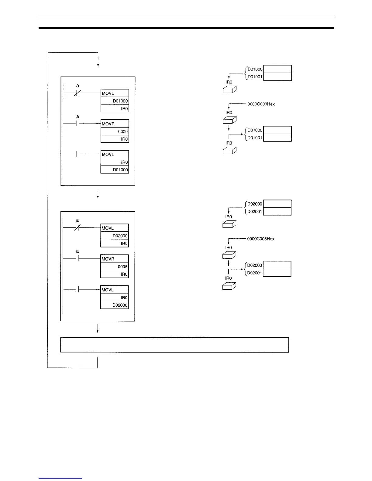
Note Be sure to use PLC memory addresses in Index Registers.
4-16 Data Registers
The sixteen Data Registers (DR0 to DR15) are used to offset the PLC mem-
ory addresses in Index Registers when addressing words indirectly.
The value in a Data Register can be added to the PLC memory address in an
Index Register to specify the absolute memory address of a bit or word in I/O
memory. Data Registers contain signed binary data, so the content of an
Index Register can be offset to a lower or higher address.
D1001 and D1000
stored in IR0
or
Actual memory address of
CIO 0 (0000C000 hex)
stored in IR0
Contents of IR0 stored in
D01001 and D01000
D02001 and D02000
stored in IR0
or
Actual memory address
CIO 5 (0000C005 hex)
stored in IR0
Contents of IR0 stored in
D02001 and D02000
Peripheral servicing
Read D01001
and D01000
Read D02001
and D02000
IR storage words for task 2
IR storage words for task 1
or
or
Task 1
Task 2

Table of Contents

Related product manuals