EasyManua.ls Logo

OnRobot HEX-E QC - Hex-E;H Qc

OnRobot HEX-E QC
282 pages
Print Icon
To Next Page IconTo Next Page
To Next Page IconTo Next Page
To Previous Page IconTo Previous Page
To Previous Page IconTo Previous Page
Loading...
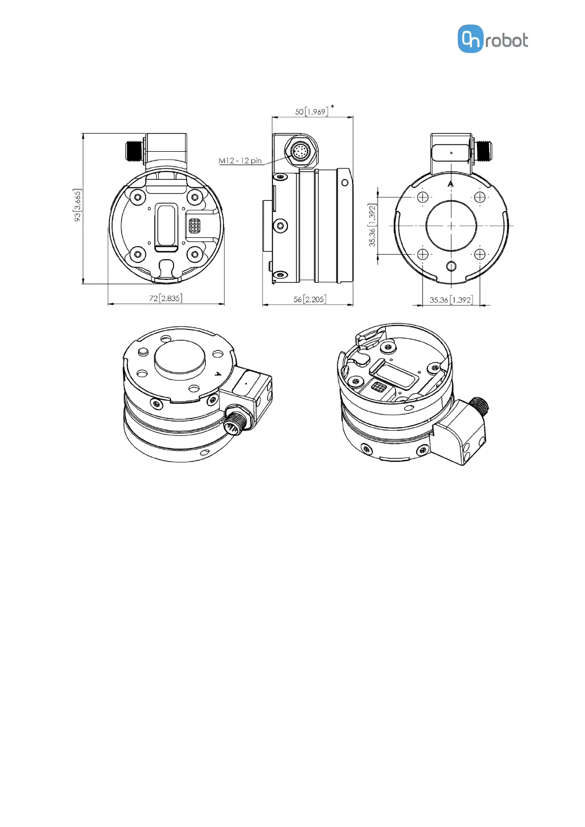
8.2.3.4. HEX-E/H QC
* Distance from Robot flange interface to OnRobot tool
All dimensions are in mm and [inches].
HARDWARE SPECIFICATION
234

Table of Contents

Related product manuals