EasyManua.ls Logo

OnRobot HEX-E QC - Rg2

OnRobot HEX-E QC
282 pages
Print Icon
To Next Page IconTo Next Page
To Next Page IconTo Next Page
To Previous Page IconTo Previous Page
To Previous Page IconTo Previous Page
Loading...
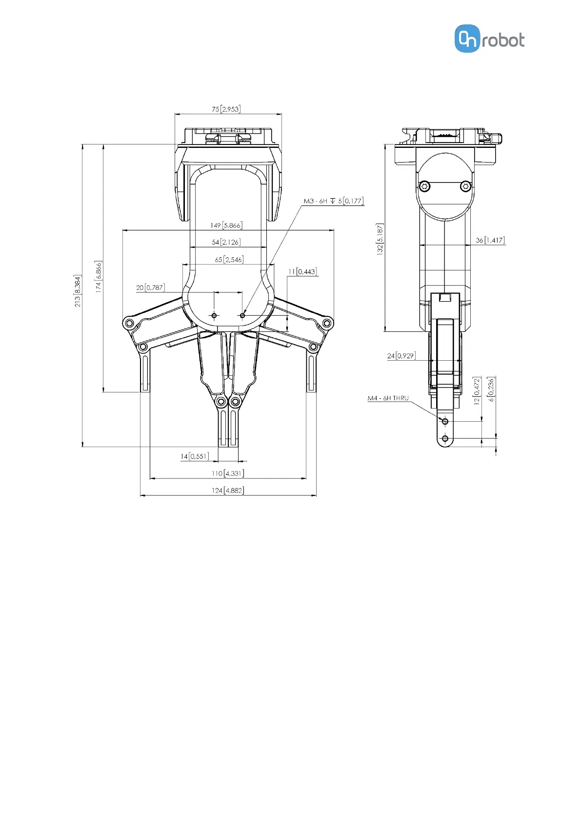
8.2.4.3. RG2
All dimensions are in mm and [inches].
HARDWARE SPECIFICATION
238

Table of Contents

Related product manuals