EasyManua.ls Logo

OnRobot HEX-E QC - Page 241

OnRobot HEX-E QC
282 pages
Print Icon
To Next Page IconTo Next Page
To Next Page IconTo Next Page
To Previous Page IconTo Previous Page
To Previous Page IconTo Previous Page
Loading...
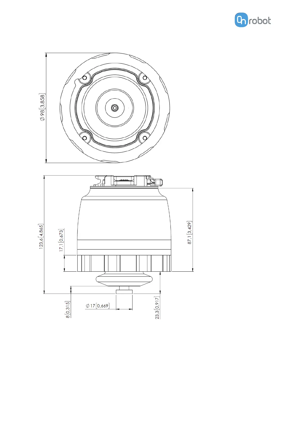
8.2.4.6. SG
All dimensions are in mm and [inches].
The Silicone Tool parts - that are attached to the SG base part -, are described in the SG
Datasheet.
HARDWARE SPECIFICATION
241

Table of Contents

Related product manuals