EasyManua.ls Logo

Parker IPA04-HC - Page 122

Parker IPA04-HC
128 pages
Print Icon
To Next Page IconTo Next Page
To Next Page IconTo Next Page
To Previous Page IconTo Previous Page
To Previous Page IconTo Previous Page
Loading...
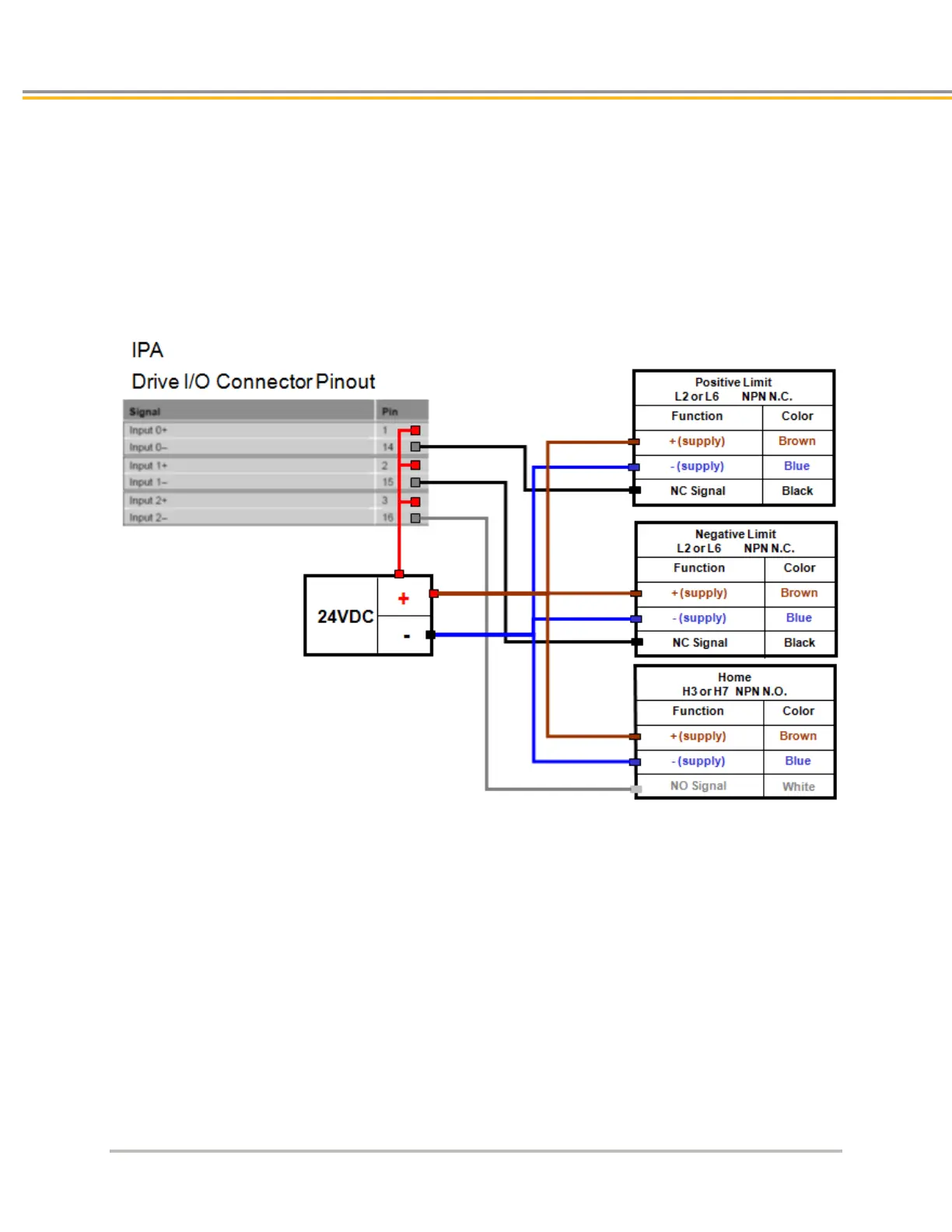
APPENDIX C
122 IPA Hardware Installation Guide
Applies to the following Parker Stages:
404XE…H3L2
404XE…H7L6
401/402/404/406/412XR…H3L2
401/402/404/406/412XR…H7L6

Table of Contents

Related product manuals