EasyManua.ls Logo

Parker IPA04-HC - Brake Relay to Motors with Full Wave Rectifiers

Parker IPA04-HC
128 pages
Print Icon
To Next Page IconTo Next Page
To Next Page IconTo Next Page
To Previous Page IconTo Previous Page
To Previous Page IconTo Previous Page
Loading...
ELECTRICAL INSTALLATION
50 IPA Hardware Installation Guide
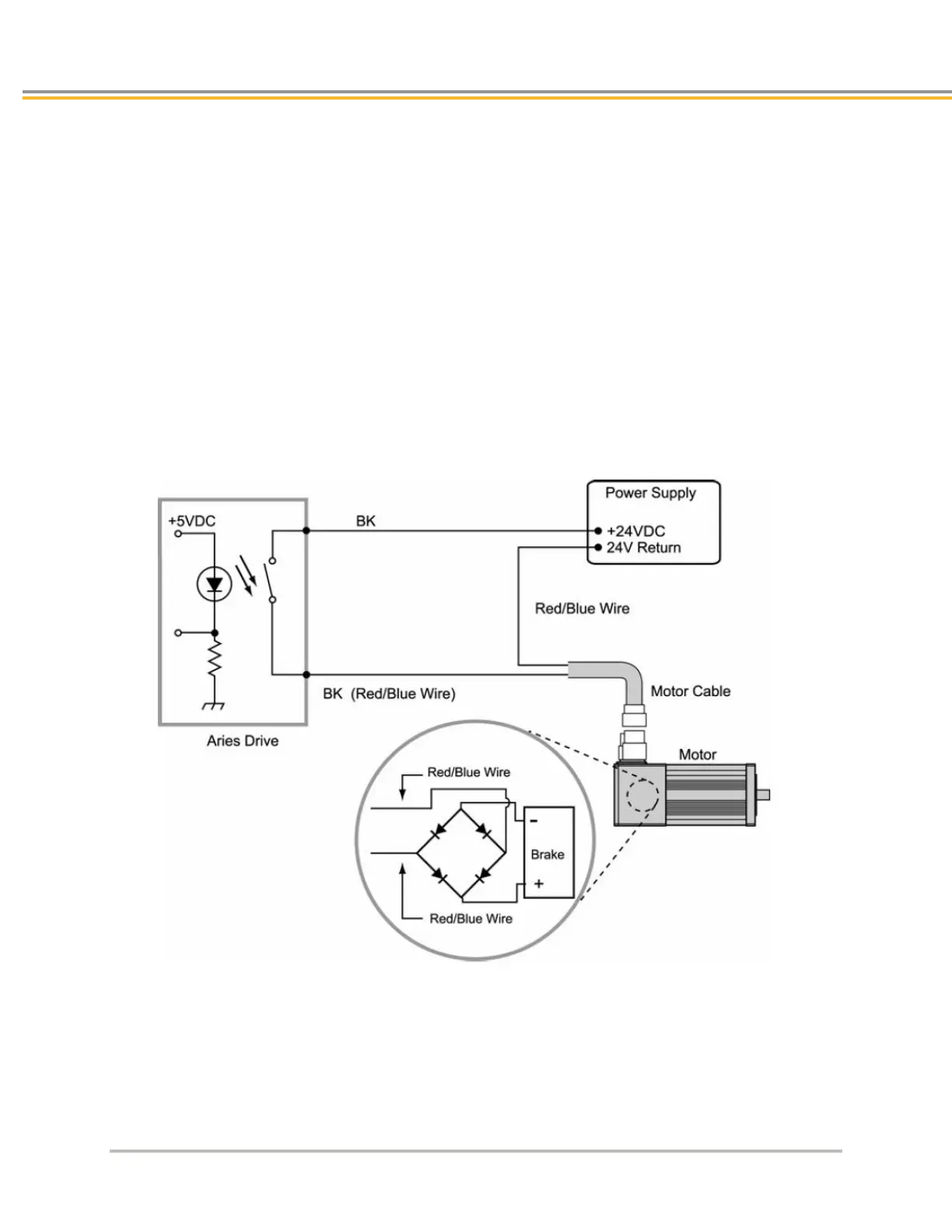
Brake Relay to Motors with Full Wave Rectifiers
Newer Parker brake motors contain full wave rectifiers, so connection polarity is not an issue during installation.
Older motors (BE, SM, NeoMetric, and J series motors, serial numbers less than 010904xxxxx) do not have
rectifiers. SMN motors less than 050801xxxxx do not have rectifiers. MPM motors do not have rectifiers.
Brake Relay does not supply 24VDC. Use an external source. Recommend that this supply is separate from supply
for logic to prevent noise on digital I/O.
1 Connect one red/blue brake wire (Parker Motor cable or equivalent) to one BK terminal.
2 Connect the second red/blue brake wire (Parker Motor cable or equivalent) to the 24V return on the
power supply.
3 Connect the +24 VDC power supply to the second BK terminal.
The following figure shows a typical application.
Figure 18. - Brake Relay Connection for Motor with Full Wave Rectifiers

Table of Contents

Related product manuals