EasyManua.ls Logo

PIAGGIO MSS X9 EVOLUTION 250 - Turn Signal Lights

PIAGGIO MSS X9 EVOLUTION 250
262 pages
Print Icon
To Next Page IconTo Next Page
To Next Page IconTo Next Page
To Previous Page IconTo Previous Page
To Previous Page IconTo Previous Page
Loading...
Specification Desc./Quantity
17 Battery 12V - 12Ah
Thermal switch
We inform you that a new thermal switch has been introduced starting with frame number
ZAPM2300003507739 (X9) ZAPM3620000003383 (X8) ZAPM2850000001025 (Beverly), in order to
prevent possible malfunctioning of the thermal switch.
Turn signal lights
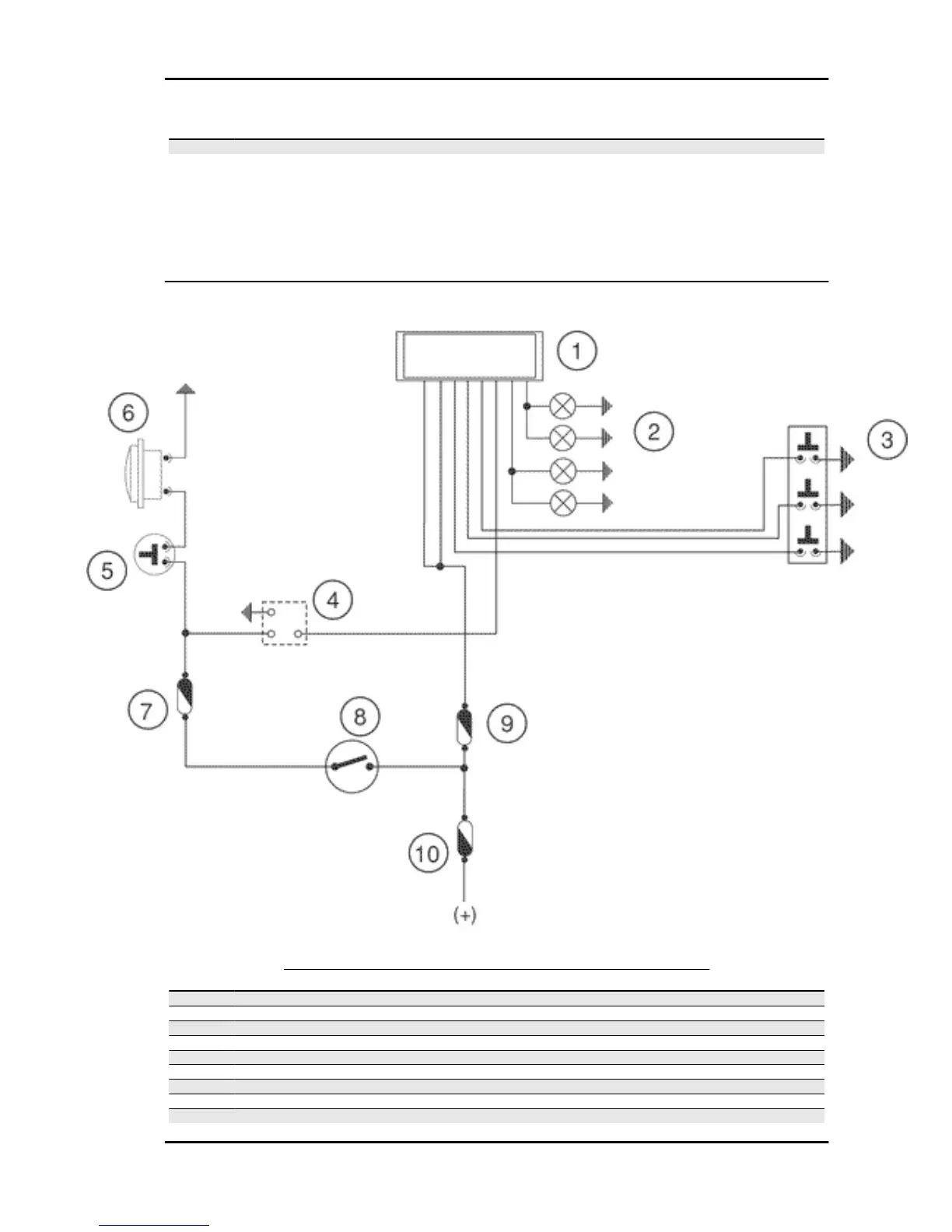
FLASHING LIGHTS, HORN AND ACCESSORY FITTINGS
Specification
Desc./Quantity
1 Digital instrument unit
2 Direction indicators N° 2 + 2 bulbs 12V-10W
3 Indicators switch
4 Fitting for accessories
5 Horn button
6 Horn
7 Fuse 10 A
8 Key switch contacts
9 Fuses 10A
MSS X9 Evolution 250 Electrical system
ELE SYS - 59

Table of Contents

Related product manuals