EasyManua.ls Logo

Raven SmarTrax - Page 151

Default Icon
156 pages
Print Icon
To Next Page IconTo Next Page
To Next Page IconTo Next Page
To Previous Page IconTo Previous Page
To Previous Page IconTo Previous Page
Loading...
8
P/N 016-0171-277 Rev. L 145
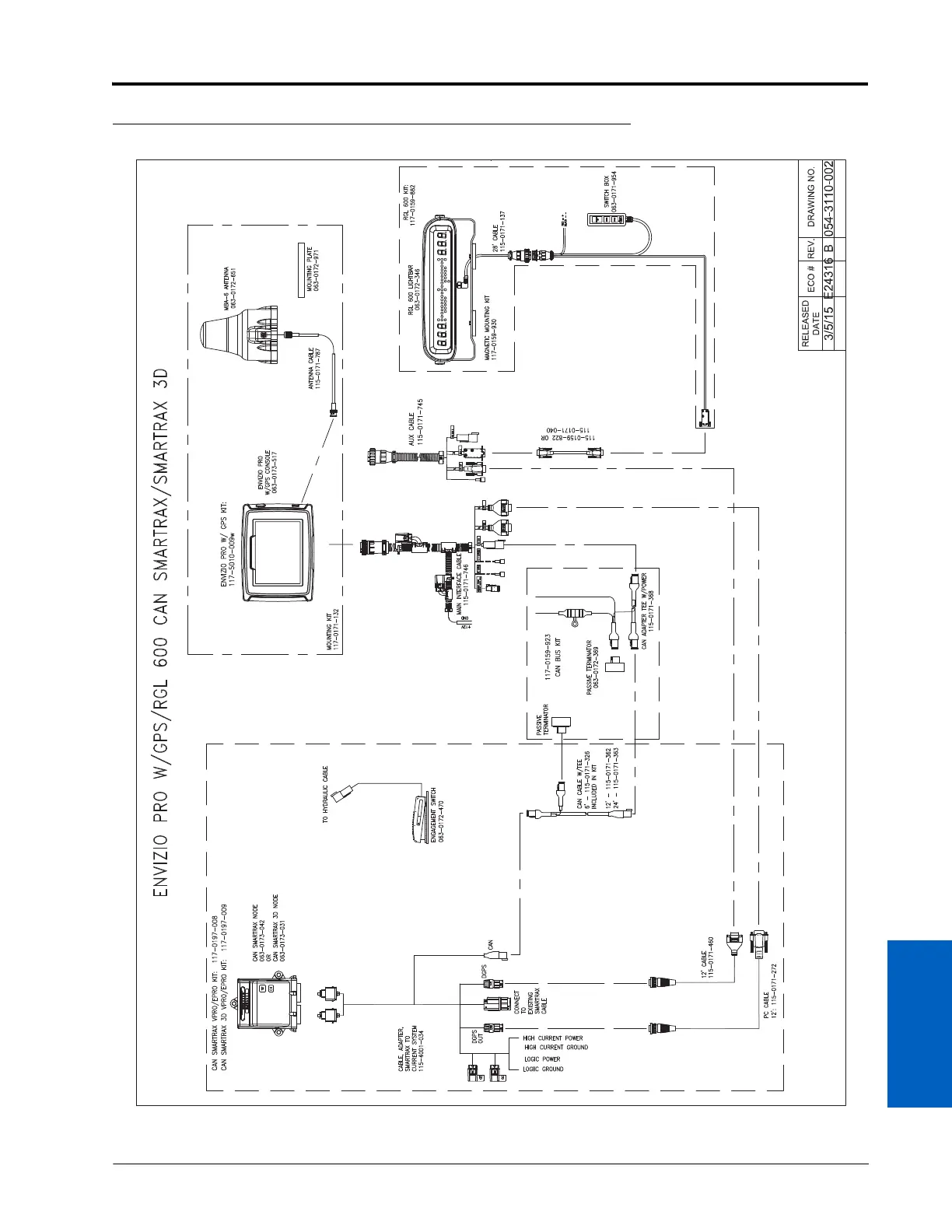
SYSTEM DIAGRAMS
FIGURE 4. SmarTrax with Envizio Pro and RGL 600

Table of Contents

Other manuals for Raven SmarTrax

Related product manuals