EasyManua.ls Logo

Rethink Robotics Baxter - Page 180

Rethink Robotics Baxter
183 pages
Print Icon
To Next Page IconTo Next Page
To Next Page IconTo Next Page
To Previous Page IconTo Previous Page
To Previous Page IconTo Previous Page
Loading...
178
Intera 3.2
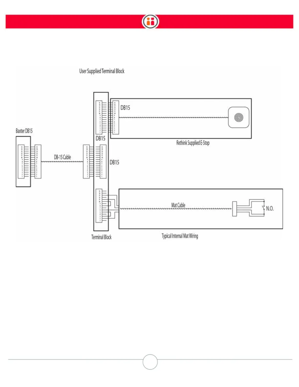
Note:
Unless shown as a jumper in the above diagram, all other wiring is pin-for-pin on
each connector.

Table of Contents

Related product manuals