EasyManua.ls Logo

Ricoh FT9101 - Page 185

Ricoh FT9101
635 pages
Print Icon
To Next Page IconTo Next Page
To Next Page IconTo Next Page
To Previous Page IconTo Previous Page
To Previous Page IconTo Previous Page
Loading...
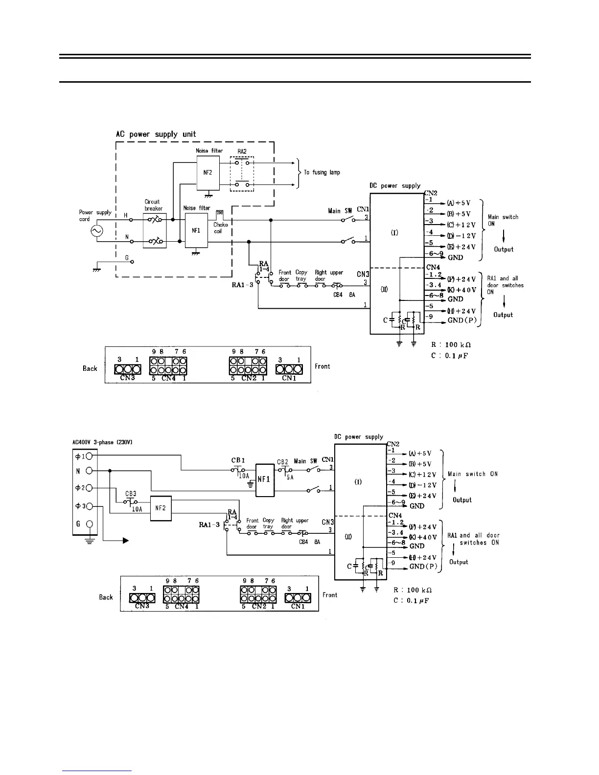
3. ELECTRICAL COMPONENT INFORMATION
3.1 DC Power Destinations
[U.S.A. version]
[European version]
1 July 1994 DC Power Destinations
3-1

Table of Contents

Related product manuals