EasyManua.ls Logo

Ricoh FT9101 - Page 370

Ricoh FT9101
635 pages
Print Icon
To Next Page IconTo Next Page
To Next Page IconTo Next Page
To Previous Page IconTo Previous Page
To Previous Page IconTo Previous Page
Loading...
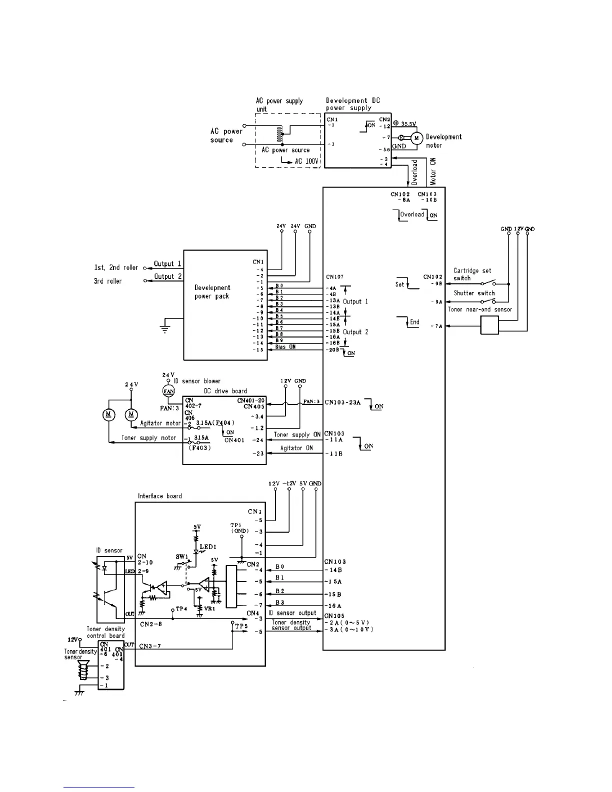
2.9.11 Development operation
Circuit diagram
Development
1 July 1994
2-70

Table of Contents