EasyManua.ls Logo

Ricoh FT9101 - Page 395

Ricoh FT9101
635 pages
Print Icon
To Next Page IconTo Next Page
To Next Page IconTo Next Page
To Previous Page IconTo Previous Page
To Previous Page IconTo Previous Page
Loading...
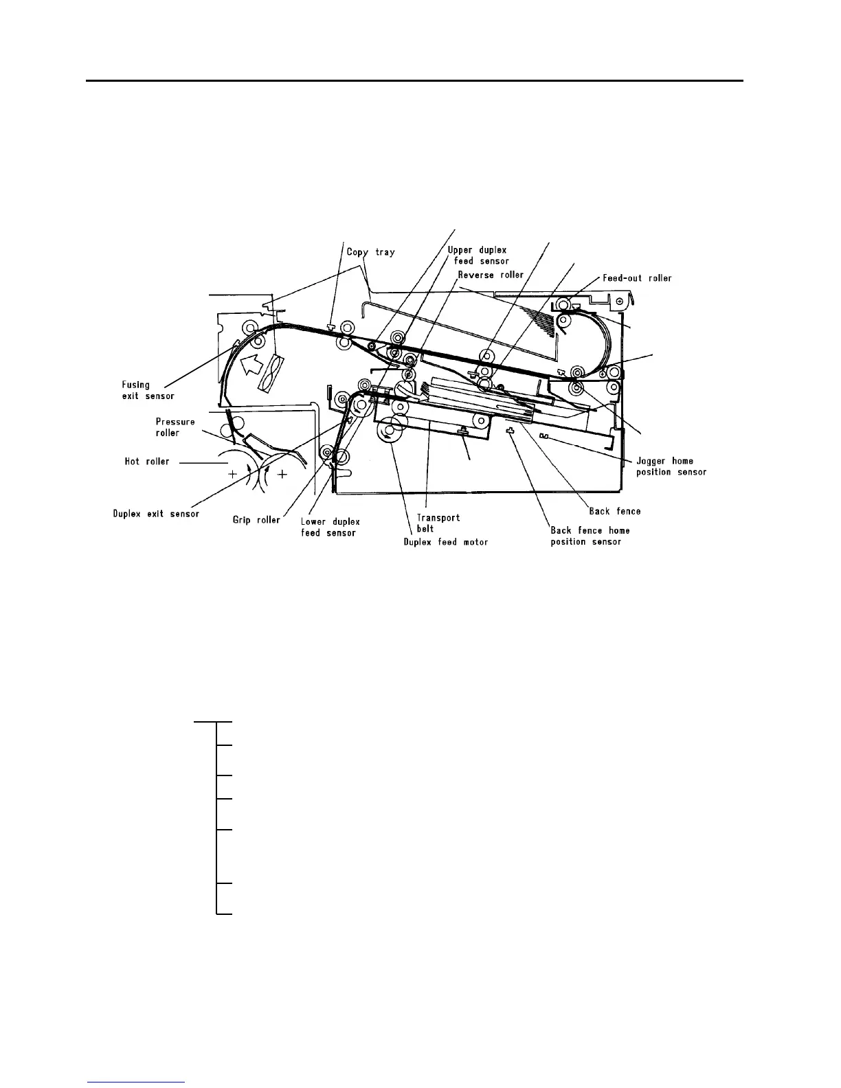
2.13 Duplex and Paper Exit
2.13.1 Main construction
Structural diagram
Construction
Cooling system employing 5 fan motors.
Paper is guided to the duplex tray or eject gate by the en-
trance junction gate pawls.
Back fence and jogger fences match paper sizes.
Vacuum/blow ventilation consisting of the blower motor
(2 fans), controlled by two solenoids.
Paper feed consists of a belt paper feed system that em-
ploys a vacuum system. Separation combines use of air
knife and FRR system.
Selection of normal paper feed-out or sorter feed-out by
the eject junction gate.
Duplex paper feed motor used for paper feed, and the
drive system of the main motor is used for paper trans-
port.
Front and rear curl
remover fans
Duplex entrance
junction sensor
Duplex entrance
junction gate
Lower duplex
end sensor
Duplex delivery
roller
Upper duplex end
sensor
Eject tray sensor
Eject junction
gate
Eject junction
sensor
Duplex tray feed
mechanism
Paper cooling mechanism
Duplex entrance mechanism
Duplex stacking mechanism
Duplex blower mechanism
Duplex paper feed and
separation
Eject junction mechanism
Drive mechanism
1 July 1994
Duplex and Paper Exit
2-95

Table of Contents