EasyManua.ls Logo

Ricoh FT9101 - Page 442

Ricoh FT9101
635 pages
Print Icon
To Next Page IconTo Next Page
To Next Page IconTo Next Page
To Previous Page IconTo Previous Page
To Previous Page IconTo Previous Page
Loading...
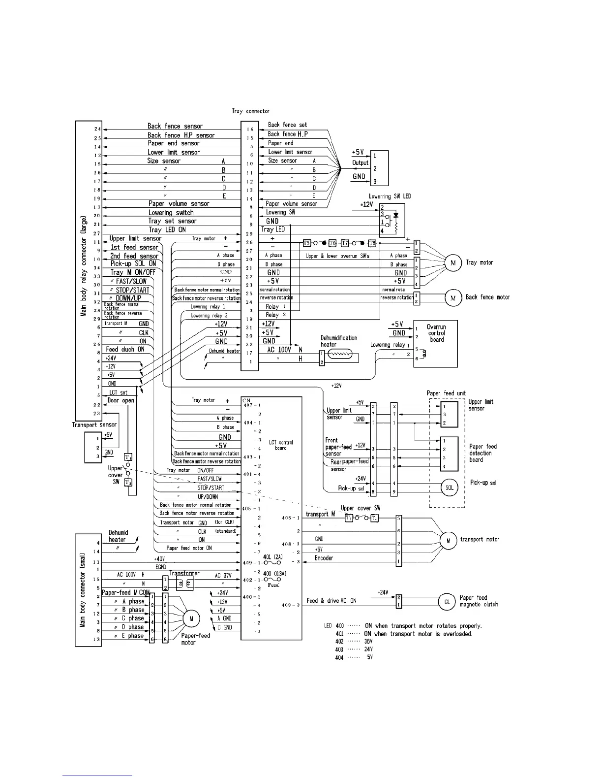
2.16.9 LCT operation
Circuit diagram
Large Capacity Tray
1 July 1994
2-142

Table of Contents

Related product manuals