EasyManua.ls Logo

Ricoh FT9101 - Page 458

Ricoh FT9101
635 pages
Print Icon
To Next Page IconTo Next Page
To Next Page IconTo Next Page
To Previous Page IconTo Previous Page
To Previous Page IconTo Previous Page
Loading...
2.18 Operation at Paper Misfeed
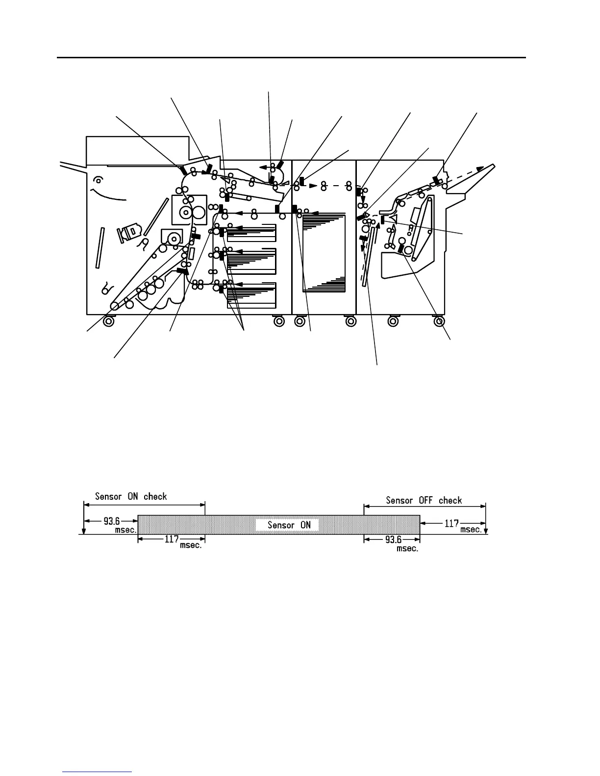
2.18.1 Jam sensor
The following sensors check for jams during paper transport.
2.18.2 Jam checking
All paper path sensors on the main body perform both ON and OFF checks. For both the ON and OFF
checks, the sensor may change state within a period that is -- 93.6 ms and + 117 ms from the standard
check timing. For jam checking for the LCT, inverter unit, and sorter, refer to related section.
Fusing exit sensor
Duplex entrance
junction sensor
1st and 2nd
duplex paper
feed sensors
Eject junction
sensor
Eject tray
sensor
Transport
sensor
Inverter
entrance
sensor
Exit
sensor
Inverter
2nd
sensor
Finisher
entrance
sensor
Inverter 3rd
sensor
Jogger unit
entrance
sensor
Separation
sensor
Registration
sensor
Horizontal
transport exit
sensor
1st and
2nd paper
feed
sensors
1st and 2nd
LCT paper
feed sensors
Horizontal
transport
entrance
sensor
Operation at Paper Misfeed
1 July 1994
2-158

Table of Contents