EasyManua.ls Logo

Rosemount 1151GP - Page 117

Rosemount 1151GP
176 pages
Print Icon
To Next Page IconTo Next Page
To Next Page IconTo Next Page
To Previous Page IconTo Previous Page
To Previous Page IconTo Previous Page
Loading...
Reference Manual
00809-0100-4360, Rev BA
August 2008
A-15
Rosemount 1151
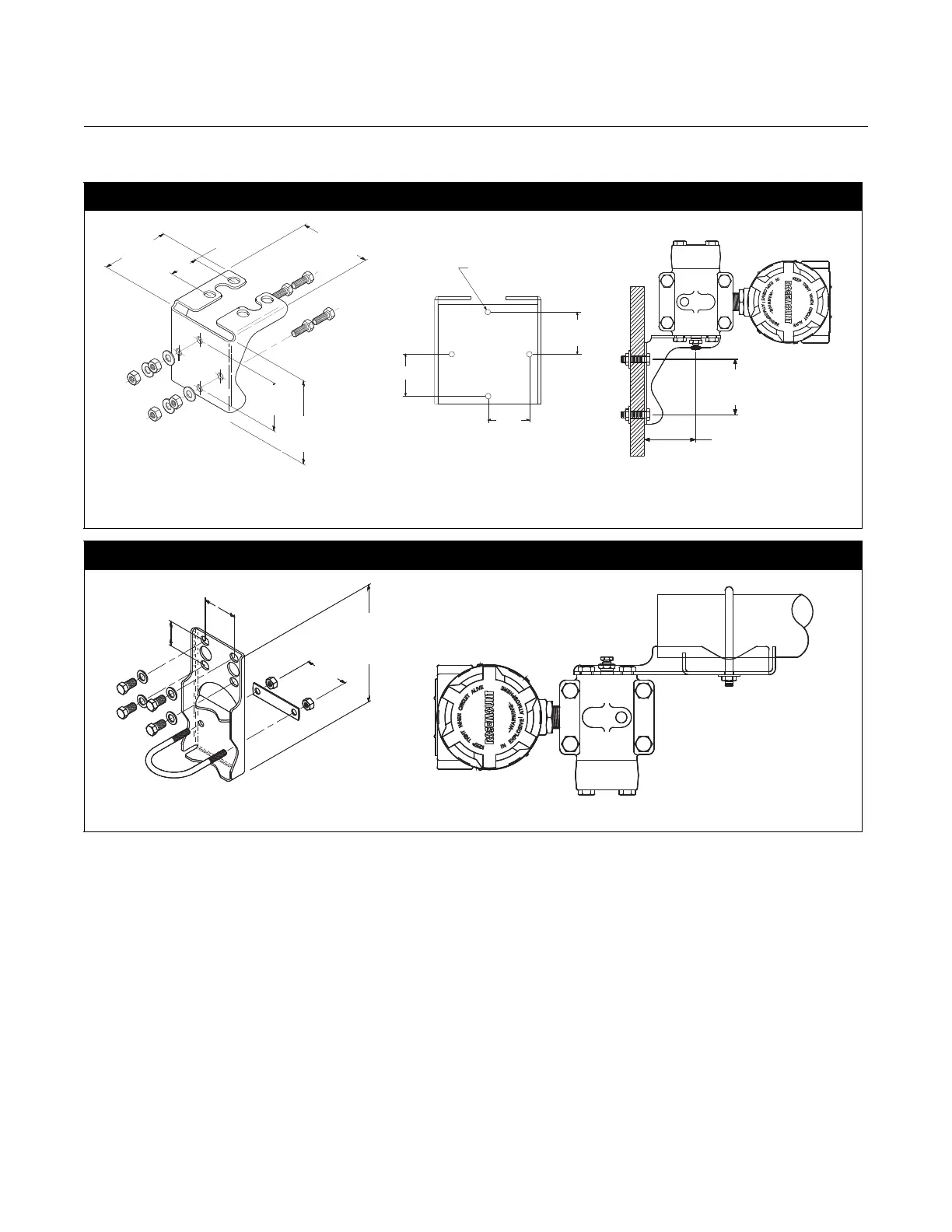
Panel Mounting Bracket Option Codes B2 and B5
Flat Mounting Bracket Option Codes B3, B6, and B9
2.625
(67)
3.87
(98)
NOTE
Dimensions are in inches (millimeters).
1.40
(36)
Mounting Holes
0.375 (10) Diameter
3.75
(95)
4.5
(114)
2.81 (71)
Typical
1.40 (46)
2.81 (71)
Typical
2.81 (71)
Typical
1.65
(42)
8.0
(203)
1.62
(41)
2.81
(71)
2.125
(54)
NOTE
Dimensions are in inches (millimeters).
8.0
(203)

Table of Contents

Related product manuals