EasyManua.ls Logo

Rosemount 8712 - SENSOR CONNECTIONS; Transmitter to Sensor Wiring

Rosemount 8712
212 pages
Print Icon
To Next Page IconTo Next Page
To Next Page IconTo Next Page
To Previous Page IconTo Previous Page
To Previous Page IconTo Previous Page
Loading...
Reference Manual
00809-0100-4664, Rev BA
January 2010
2-13
Rosemount 8712
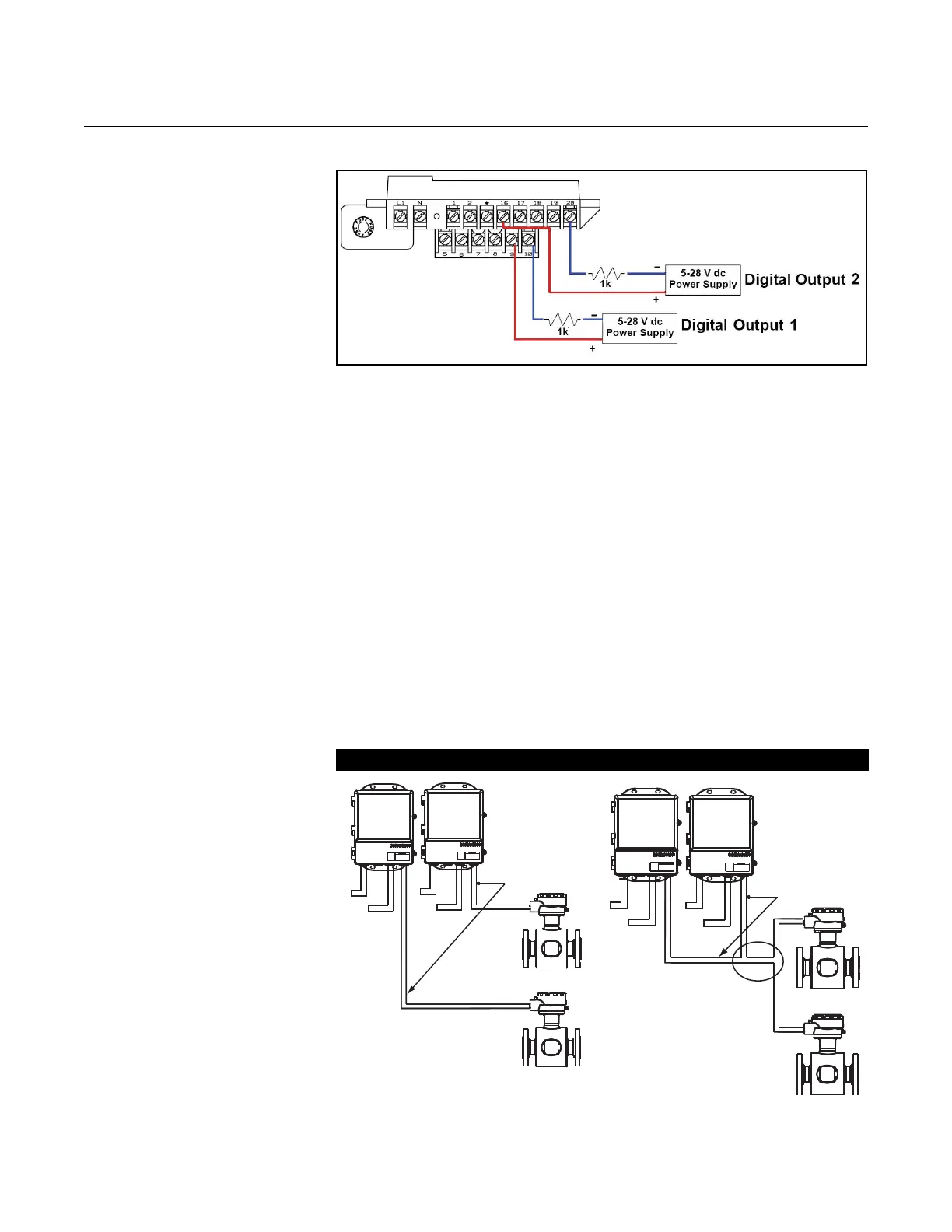
Figure 2-10. Connecting Digital
Outputs
SENSOR CONNECTIONS This section covers the steps required to physically install the transmitter
including wiring and calibration.
Rosemount Sensors To connect the transmitter to a non-Rosemount sensor, refer to the
appropriate wiring diagram in Appendix D: Wiring Diagrams. The calibration
procedure listed is not required for use with Rosemount sensors.
Transmitter to
Sensor Wiring
Flanged and wafer sensors have two conduit ports as shown in Figures 4-13,
4-14, 4-15, and 4-16. Either one may be used for both the coil drive and
electrode cables. Use the stainless steel plug that is provided to seal the
unused conduit port.
A single dedicated conduit run for the coil drive and electrode cables is
needed between a sensor and a remote transmitter. Bundled cables in a
single conduit are likely to create interference and noise problems in your
system. Use one set of cables per conduit run. See Figure 2-11 for proper
conduit installation diagram and Table 2-3 for recommended cable. For
integral and remote wiring diagrams refer to Figure 2-13.
Figure 2-11. Conduit Preparation
Correct Incorrect
Coil Drive
and
Electrode
Cables
Power
Power
Outputs
Outputs
Coil Drive
and
Electrode
Cables
Power
Outputs
Power
Outputs

Table of Contents

Related product manuals