EasyManua.ls Logo

Salus AX10RF - Page 76

Salus AX10RF
76 pages
Print Icon
To Previous Page IconTo Previous Page
To Previous Page IconTo Previous Page
Loading...
A.5
Appendix A
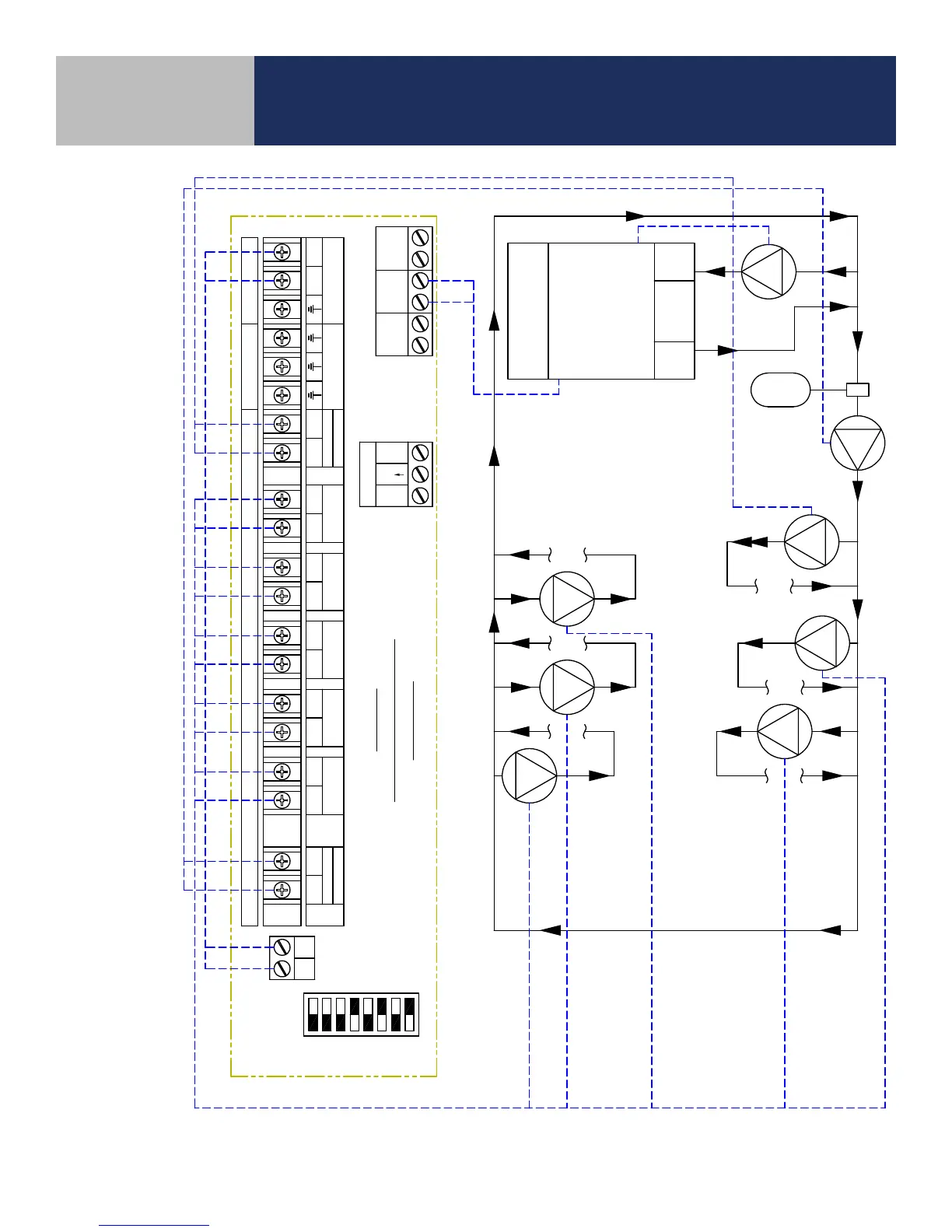
Figure A-5: SALUS AKL06PRF Zone Pump Wiring Center
- No Zone 1 Priority – Power jumper to terminals ZC & N (Priority Dip Switch – O )
- Primary Pump powered by AKL06PRF Zone Pump Wiring Center
- 6 Central Heating (CH) Zones
- Zone 1 Thermostat cannot be wired. Wireless Thermostats Only
LN
POWER IN
120 VAC
GROUND
GROUND
LN
PRIORITY
PUMP 1
LN
PUMP 2
LN
PUMP 3
LN
PUMP 4
LN
PUMP 5
LN
PUMP 6
LN
PRIMARY
PUMP
120 VAC OUTPUT
ZC
N
OFF
WIRELESS
SLAVE
OFF
EXERCISE ON
MASTER
PRIORITY ON
PRIMARY STATUS DURING PRIORITY ON
WIRED
OFF
OFF
PURGE ON
AUX XX
ZONE1
E/S
H N
R
C
W
24V - T-STAT 1
CH DEMAND
DHW DEMAND
BOILER
BOILER PUMP
AKL06PRF
6 ZONE PUMP WIRING
CENTER
2
3
6 CENTRAL HEATING (CH) ZONES
PRIMARY/SECONDARY
DHW PUMP
CH PUMP
4
1
PRIMARY PUMP
NO PRIORITY
(SEE NOTES)
ZC/N FROM
INCOMING POWER
56
THIS DOCUMENT CONTAINS
INFORMATION PROPRIETARY
TO AZ ENGINEERING.
DISCLOSURE OF ANY
INFORMATION CONVEYED OR
IMPLIED BY THIS DOCUMENT
WITHOUT EXPRESS WRITTEN
CONSENT BY AZ
ENGINEERING IS FORBIDDEN.
APPROVED BY
DATE
AZ ENGINEERING LLC
AKL06PRF INSTALLATION SCHEMATIC
SCALE: DRAWING NO: REVISION:
SHEET 1 OF 1
DATE:DRAWN BY:
CN:
6 CH ZONES - NO PRIORITY w/PRIMARY PUMP
SCI-20180611-01 02
NONE
--
SCEARCE 2018-06-11
REVISION
BY:
2
DAS
DATE:
7/3/18
REMOVED ZONE 1 END SWITCH WIRE CONNECTIONS TO BOILER
NOTES:
1) NO ZONE 1 PRIORITY - POWER JUMPERS TO ZC/N
2) PRIMARY PUMP INPUT BY AKL06PRF ZONE PUMP WIRING CENTER
3) ZONE 1 T-STAT MAY NOT BE WIRED, WIRELESS T-STAT ONLY
KEY:
WATER
ELECTRICAL
CONTROL BOUNDARY
ZONE CIRCULATOR

Table of Contents

Related product manuals