EasyManua.ls Logo

SBM SB-3000 - Page 158

SBM SB-3000
253 pages
Print Icon
To Next Page IconTo Next Page
To Next Page IconTo Next Page
To Previous Page IconTo Previous Page
To Previous Page IconTo Previous Page
Loading...
158
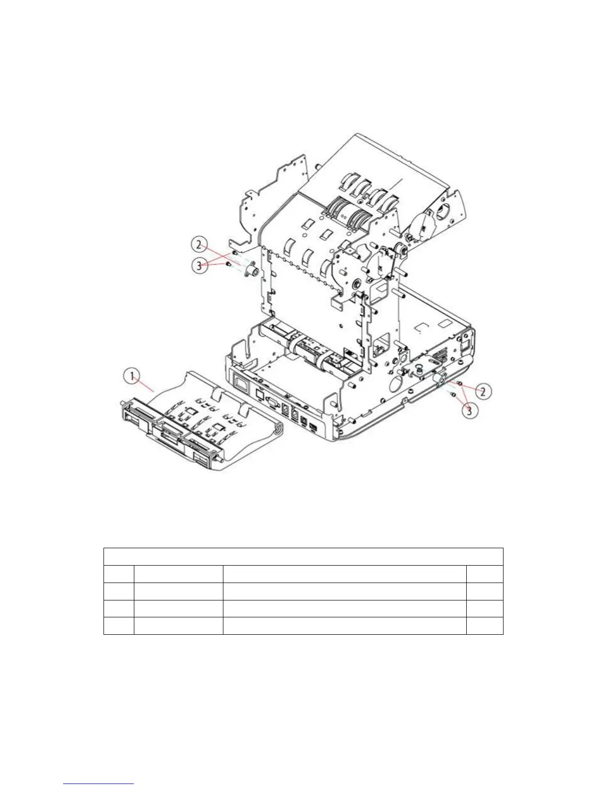
12. TRANSFER D BOTTOM ASSY
TRANSFER D BOTTOM ASSY
NO.
CODE PART NAME Q`TY
1 1A10X1197A ASS'Y_TRANSFER_B_BOTTOM 1
2 7810A114XA BUSH_TRANS_C 2
3 8400E021XA SCREW_M/C_PH/SWW_M3X6_Fe_Zy 4

Table of Contents