EasyManua.ls Logo

SeaSTAR OPTIMUM EPS - Page 18

SeaSTAR OPTIMUM EPS
152 pages
Print Icon
To Next Page IconTo Next Page
To Next Page IconTo Next Page
To Previous Page IconTo Previous Page
To Previous Page IconTo Previous Page
Loading...
© 2014 SeaStar Solutions Optimus Installation Manual, Rev. E
2-4
RUN
OFF
CAN1 NETWORK CAN2 NETWORK
PCM
HELM
HELM
COLOR
CANtrak
COLOR
CANtrak
BUZZER
SERVICE PORT
ENGINE GATEWAY
12 VOLT POWER
CAN3 NETWORK
NMEA2000
AUTOPILOT CCU
SWITCH PANEL
SMART
CYLINDER
SMART
CYLINDER
P S
BLACK
GREY
PURPLE
RED
COMPONENTS NOT SUPPLIED
BY SEASTAR SOLUTIONS
BREAKERS
PORT
POWER
SOURCE
STARBOARD
POWER
SOURCE
BUZZER
POWER
STEERING
PUMP
HYDRAULIC
HOSE
HYDRAULIC
HOSE
POWER
STEERING
PUMP
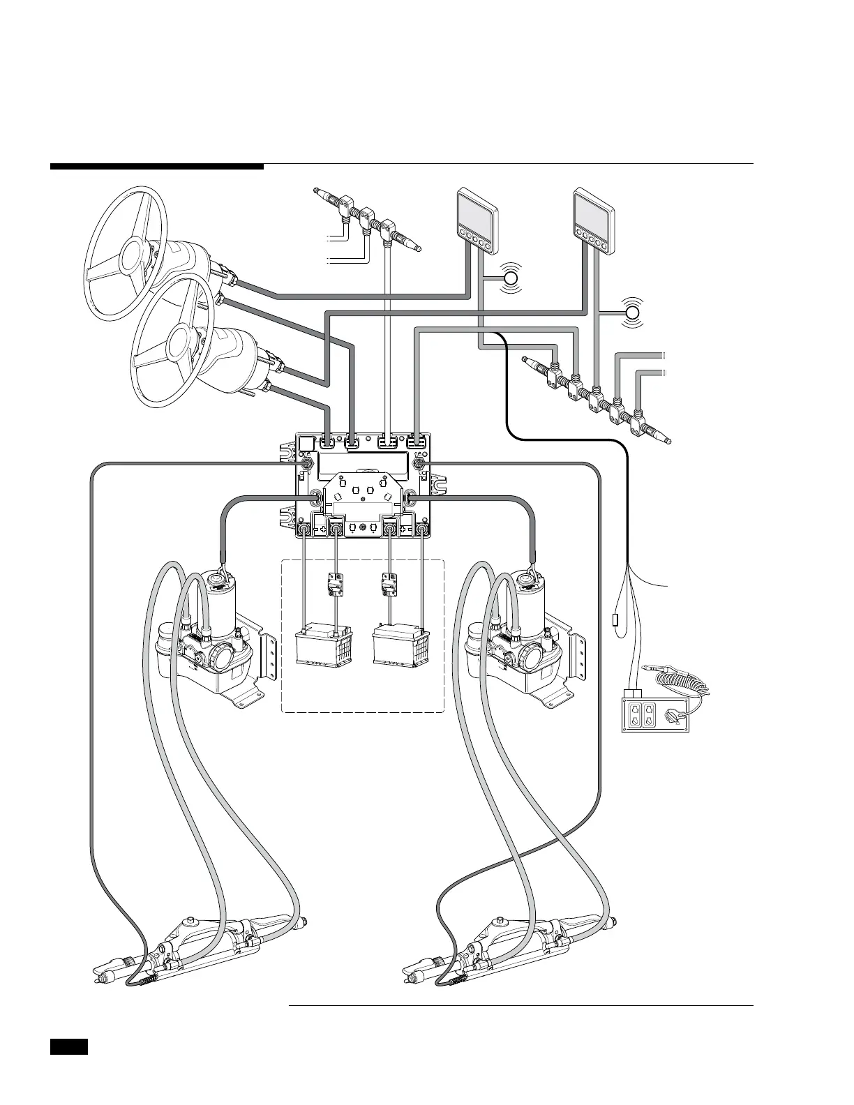
Figure 2-2. Optimus EPS system diagram, dual station, twin engine.

Table of Contents