EasyManua.ls Logo

SeaSTAR OPTIMUM EPS - Page 19

SeaSTAR OPTIMUM EPS
152 pages
Print Icon
To Next Page IconTo Next Page
To Next Page IconTo Next Page
To Previous Page IconTo Previous Page
To Previous Page IconTo Previous Page
Loading...
© 2014 SeaStar Solutions Optimus Installation Manual, Rev. E
2-5
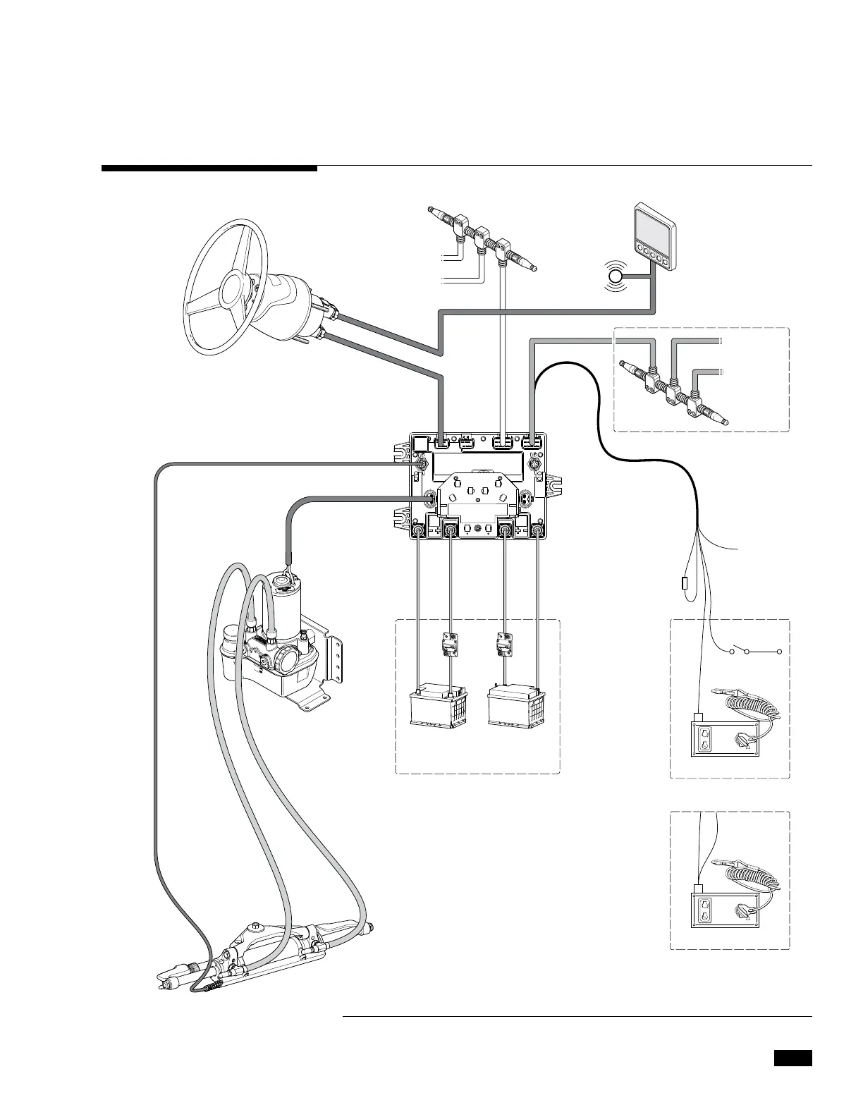
Figure 2-3. Optimus EPS system diagram, single station, single engine.
RUN
OFF
RUN
OFF
CAN1
NETWORK
CAN2
NETWORK
PCM
HELM
COLOR
CANtrak
BUZZER
SERVICE
PORT
ENGINE GATEWAY
12 VOLT POWER
CAN3 NETWORK
NMEA2000
AUTOPILOT
CCU
OPTIONAL
POWER
STEERING
PUMP
HYDRAULIC
HOSE
SWITCH PANEL
SWITCH
+12V
SOURCE
SWITCH PANEL
SMART
CYLINDER
BLACK
GREY
PURPLE
PURPLE
RED
COMPONENTS NOT SUPPLIED
BY SEASTAR SOLUTIONS
PREFERRED CONNECTION
OPTIONAL CONNECTION
BREAKERS
ENGINE
BATTERY
HOUSE
BATTERY

Table of Contents