EasyManua.ls Logo

Siemens SIMATIC - Page 399

Siemens SIMATIC
648 pages
Print Icon
To Next Page IconTo Next Page
To Next Page IconTo Next Page
To Previous Page IconTo Previous Page
To Previous Page IconTo Previous Page
Loading...
Analog modules
6.10 Analog input module SM 331; AI 8 x TC; (6ES7331-7PF11-0AB0)
S7-300 Module data
Manual, 06/2017, A5E00105505-AJ
399
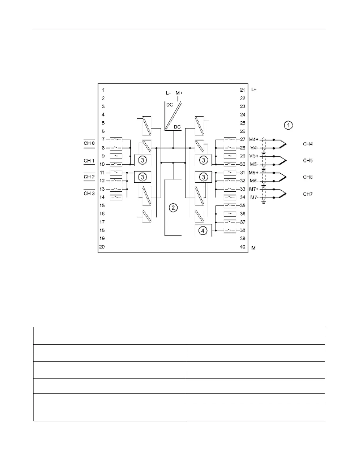
Wiring: Thermocouple with internal compensation
With this kind of compensation, the module registers the temperature at the reference
junction in the connector.
Thermocouple with equalizing conductor up to front connector
Backplane bus interface
Analog-to-Digital Converter (ADC)
External cold spot comparison
Figure 6-28 Wiring and block diagram
Technical specifications
Technical specifications
Dimensions and weight
Dimensions W x H x D (mm)
40 x 125 x117
Weight
approx. 272 g
Module-specific data
Supports parameter reassignment in RUN
Yes
Response of non-programmed inputs Return the process value which was valid before configu-
ration
Supports isochronous mode
No
Cable length
shielded
max. 100 m

Table of Contents

Other manuals for Siemens SIMATIC

Related product manuals