EasyManua.ls Logo

Siemens SIMATIC - Page 416

Siemens SIMATIC
648 pages
Print Icon
To Next Page IconTo Next Page
To Next Page IconTo Next Page
To Previous Page IconTo Previous Page
To Previous Page IconTo Previous Page
Loading...
Analog modules
6.11 Analog input module SM 331, AI 6 x TC isolated (6ES7331-7PE10-0AB0)
S7-300 Module data
416 Manual, 06/2017, A5E00105505-AJ
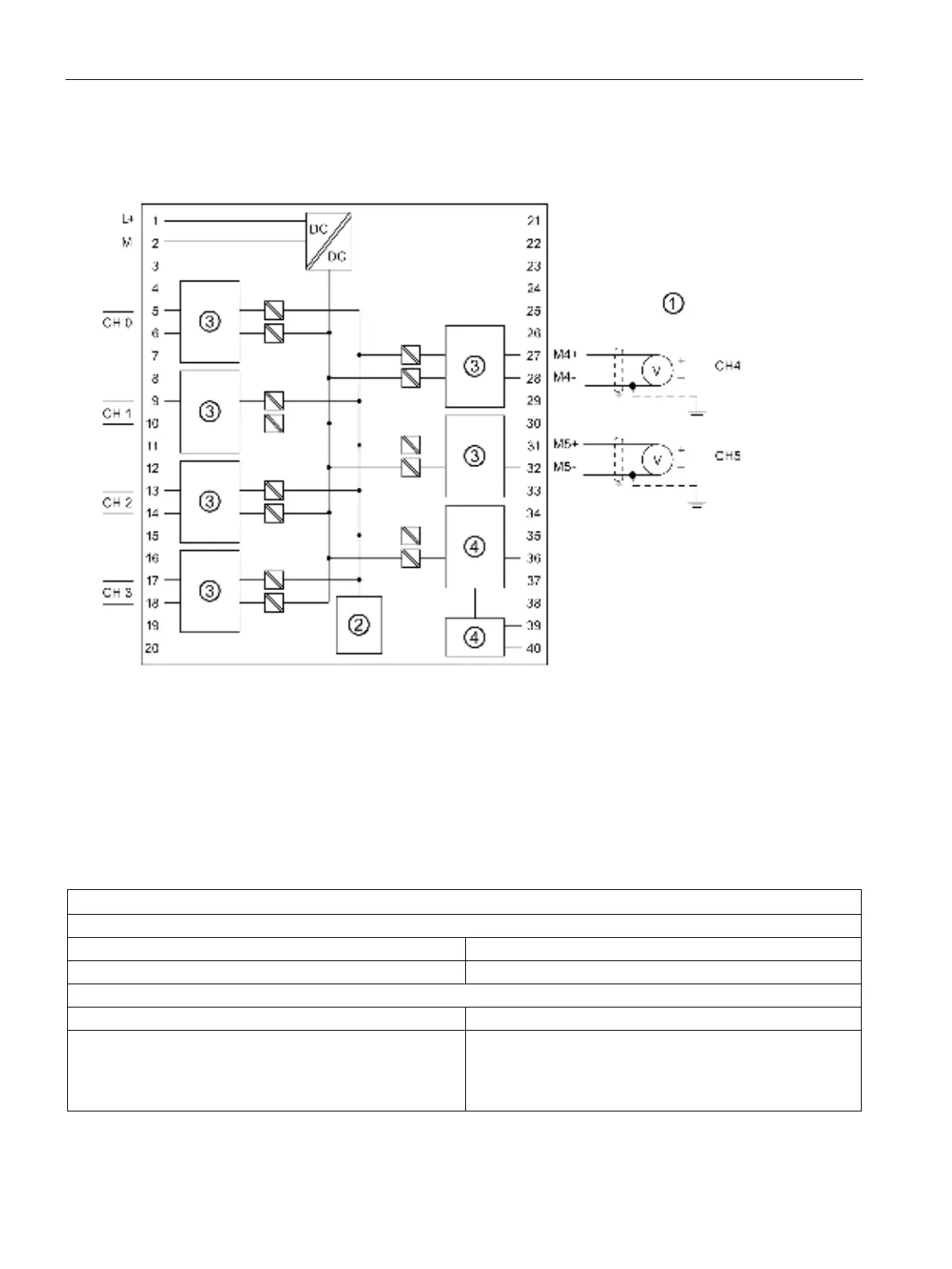
Wiring: Voltage input
Applied input voltage
Backplane bus interface
Analog digital converter (ADC)
External cold spot comparison (ADC and current source)
Figure 6-35 Voltage input
Technical specifications
Technical specifications
Dimensions and weight
Dimensions (W x H x D) (mm)
40 x 125 x 120
Weight
approx. 272 g
Module-specific data
Supports isochronous mode
No
Cable length
shielded
Max. 200 m
Max. 80 m in voltage ranges ≤ 80 mV and where thermo-
couples are used.

Table of Contents

Other manuals for Siemens SIMATIC

Related product manuals