EasyManua.ls Logo

Sonicware LIVEN Texture Lab - Appendix; Sound Architecture Diagram

Sonicware LIVEN Texture Lab
81 pages
Print Icon
To Previous Page IconTo Previous Page
To Previous Page IconTo Previous Page
Loading...
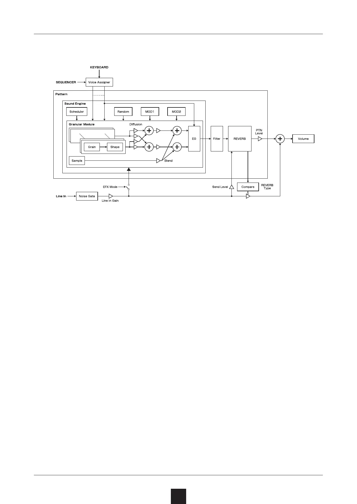
Figure1. Sound architecture
Appendix
81

Table of Contents

Related product manuals