EasyManua.ls Logo

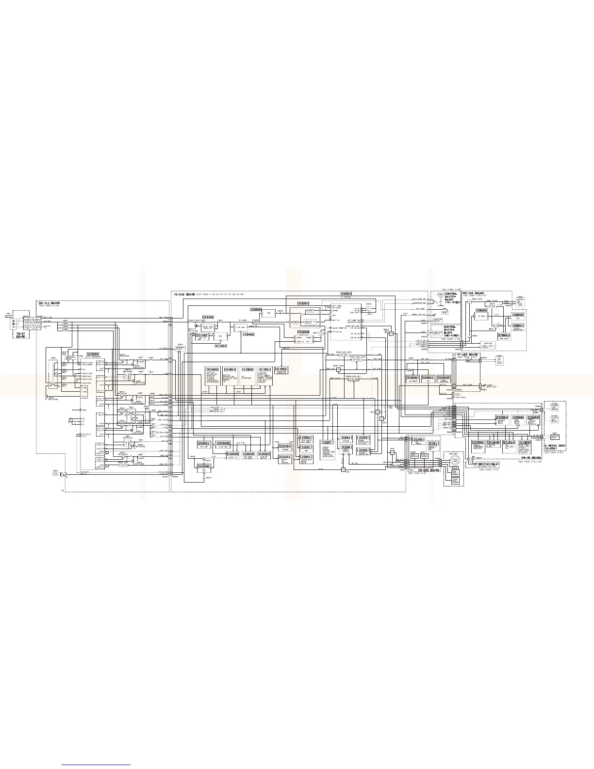
Sony DCR-PC1 - Power Block Diagram

Sony DCR-PC1
148 pages
Print Icon
To Next Page IconTo Next Page
To Next Page IconTo Next Page
To Previous Page IconTo Previous Page
To Previous Page IconTo Previous Page
Loading...
DCR-PC1/PC1E
3-2. POWER BLOCK DIAGRAM
3-5 3-6 3-7 3-8E

Table of Contents

Related product manuals