EasyManua.ls Logo

Sony DCR-PC350 - Page 43

Sony DCR-PC350
218 pages
Print Icon
To Next Page IconTo Next Page
To Next Page IconTo Next Page
To Previous Page IconTo Previous Page
To Previous Page IconTo Previous Page
Loading...
DCR-PC350/PC350E
4-21 4-22
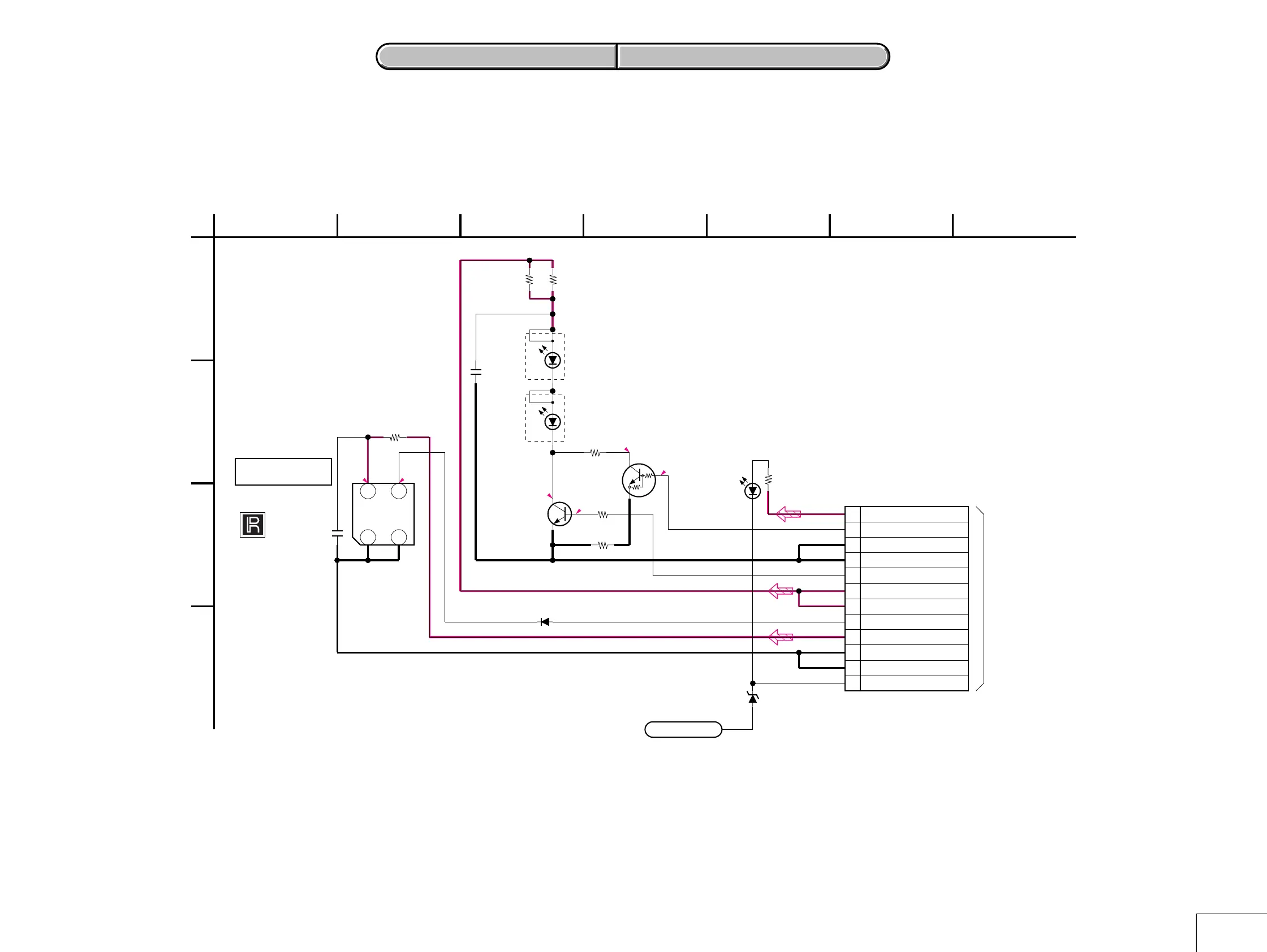
FP-996
For Schematic Diagram
Refer to page 4-83 for printed wiring board.
4-2. SCHEMATIC DIAGRAMS FP-996 PRINTED WIRING BOARD
4-2. SCHEMATIC DIAGRAMS FP-996 PRINTED WIRING BOARD
0
3.2
3.2
0
4.54.5
NO MARK:REC/PB MODE
47
R9604
SBX3055-01
IC9600
12
43
B
4.7u
C9601
1k
R9603
2SC5585H-T2L
Q9600
MA111-(K8).S0
D9602
56
R9601
680
R9605
SML-310LTT86
D9604
56
R9600
68
R9602
D9600
DCZ2805
D9601
DCZ2805
D9603
MA8062-M-TX
LN9614
CHASSIS GND
UN9211J-(K8).SO
Q9601
0
R9606
B
10u
C9600
12P
1
2
3
4
5
6
7
8
9
10
11
12
1
A
GND
OUTVCC
GND
F_TALLY_LED
MT_GND
IR_ON
A_2.8V
MT_GND
SIRCS_PWM
MT_5V
MT_5V
SIRCS_SIG
A_4.6V
REG_GND
REG_GND
LN9601
LN9611
LN9610
LN9608
LN9609
LN9603
LN9602
LN9605
LN9607
LN9606
LN9604
LN9600
REMOTE COMMANDER
RECEIVER
IC9600
(FRONT TALLY)
LED DRIVE
D9600,9601
NIGHT SHOT
FP-996 FLEXIBLE
SIRCS,NIGHTSHOT
534
16
B
C
62
D
TO
VC-370 BOARD(13/17)
CN1001
7
LED DRIVE
(PAGE 4-55
of LEVEL 3)

Table of Contents

Related product manuals