EasyManua.ls Logo

Sony DSR-2000 - Page 254

Sony DSR-2000
344 pages
Print Icon
To Next Page IconTo Next Page
To Next Page IconTo Next Page
To Previous Page IconTo Previous Page
To Previous Page IconTo Previous Page
Loading...
7-32
DSR-2000/2000P
Stopper driving plate
Plunger solenoid
Compression spring
Iron core
P2 x 2
Stopper driving plate (M) assembly
P1.4 x 3.5
P1.4 x 3.5
Connector (CN8)
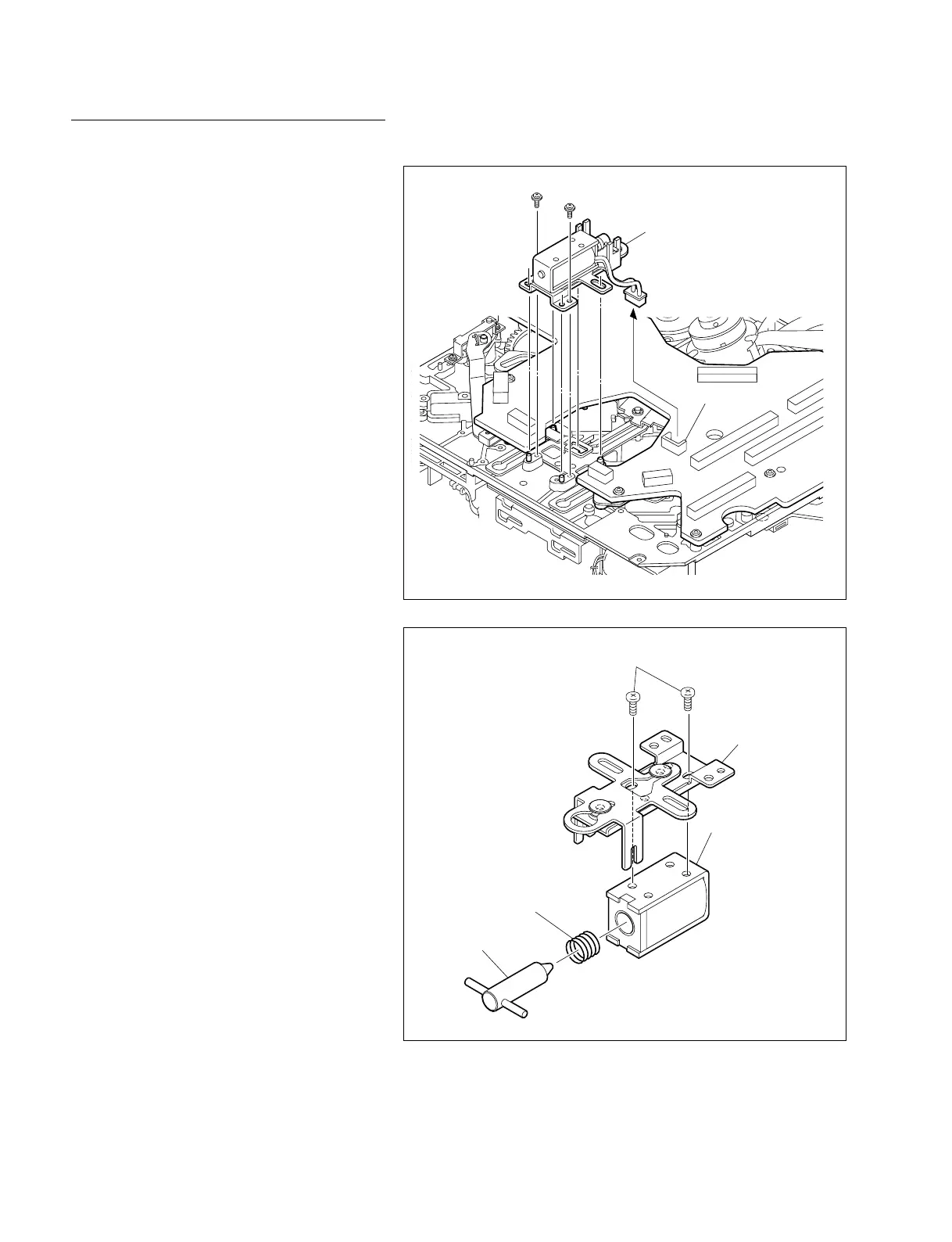
7-10. M Stop Solenoid Assembly Replacement
Replacement
1. Removing the MD cover.
Remove the MD cover. (Refer to Section 7-2.)
2. Removing the stopper driving plate
(M) assembly
(1) Disconnect the harness of the M stop sole-
noid assembly from the connector (CN8) on
the MS-64 board.
(2) Remove the two screws and remove the
stopper driving plate (M) assembly.
3. Replacing the M stop solenoid
assembly
(1) Remove the two screws to remove the
stopper driving plate (M) assembly.
(2) Extract the compressed coil spring from the
iron core of the plunger solenoid removed in
step (2) and fit the spring on a new solenoid
iron core.

Table of Contents

Related product manuals