EasyManua.ls Logo

Sony HCD-M333 - 6-2. Block Diagrams - CD Section -

Sony HCD-M333
112 pages
Print Icon
To Next Page IconTo Next Page
To Next Page IconTo Next Page
To Previous Page IconTo Previous Page
To Previous Page IconTo Previous Page
Loading...
4848
HCD-M333
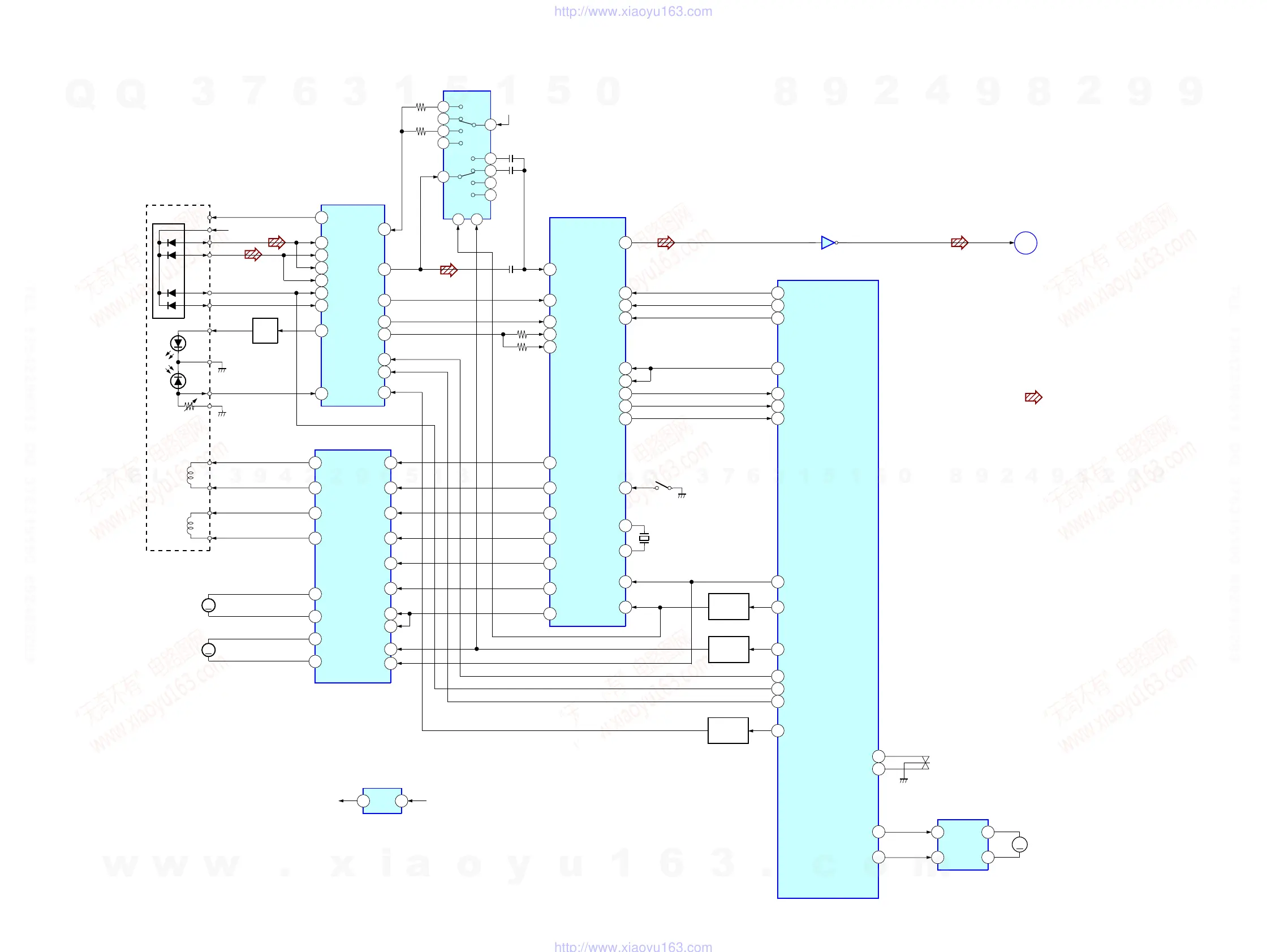
6-2. Block Diagrams
CD Section
: CD
• Signal Path
SYSTEM CONTROL
IC101 (1/2)
(A-MAX.3)
OPTICAL PICK-UP
BLOCK
PD1
PD2
I5-10
I1-6
LD
VC
+5V
GND
PD
VR
LD
DRIVE
FOCUS
COIL
TRACKING
COIL
Q101
RF AMP
IC103
VC
27
A
6
B
7
C
8
D
9
E
10
F
11
LD
1
PD
2
IC102
MOTOR/COIL DRIVE
VO1+
47
VO1-
52
VO2+
55
VO2-
56
F-
F+
T-
T+
35
IN1+
34
IN1-
32
IN2+
31
IN2-
27
IN3+
26
IN3-
24IN4R
19SW
MDP
25
SRDR
30
SFDR
29
TRDR
32
TFDR
31
FRDR
34
FFDR
33
8STBY
DIGITAL SIGNAL PROC.
IC101
DIGITAL SERVO
64
DOUT
RFDC
43
17FEI
28
RFDCO
16FE
18TE
29
RFDCI
12
SW
FE
39
TE
41
SE
40
5XLAT
77
SQCK
8
SCLK
15
SCOR
76
SQSO
26
SSTP
71
XTAI
72
XTAO
2
XRST
LIMIT SW
X201
33.8688MHz
CD-XLT
36
CD-1-2
61
CD-1-4
35
CD-SCOR
19
CD-SQSO
32
CD-XRST
60
CD-LDON
54
7
SENS
DIN-CD
CD-SENS
56
RFAC
50
15
RFAC
26
RFC
CD-PWM1
28
CD-PWM2
26
CD-PWM3
24
23IN4
24
IC105
69
XTSL
CTRL1(1-2)
1-4
CD-SQCLK
3
4DATA
CD-DATA
35
CD-CLK
37
6
CLOK
12
3
14
15
11
13
1
5
2
4
10 9
AB
IC104
SELECTOR
+5V
VO4+
M
VO4-
M901
(SPINDLE)
VO3+
M
VO3-
M902
(SLED)
5
10
1
2
+3.3V
REG
IC201
+3.3V
+5V
Q230, 231
SWITCH
Q236, 237
SWITCH
Q232-235
BUFFER
3 1
MOTOR DRIVE
IC220
4
9
7
2
69
CD-OUTSW
70
CD-INSW
67
CD-LOAD-OUT
68
CD-LOAD-IN
(OPEN/CLOSE)
M
M201
(LOADING)
S1
USB
SECTION
A
w
w
w
.
x
i
a
o
y
u
1
6
3
.
c
o
m
Q
Q
3
7
6
3
1
5
1
5
0
9
9
2
8
9
4
2
9
8
T
E
L
1
3
9
4
2
2
9
6
5
1
3
9
9
2
8
9
4
2
9
8
0
5
1
5
1
3
6
7
3
Q
Q
TEL 13942296513 QQ 376315150 892498299
TEL 13942296513 QQ 376315150 892498299
http://www.xiaoyu163.com
http://www.xiaoyu163.com

Table of Contents

Related product manuals