EasyManua.ls Logo

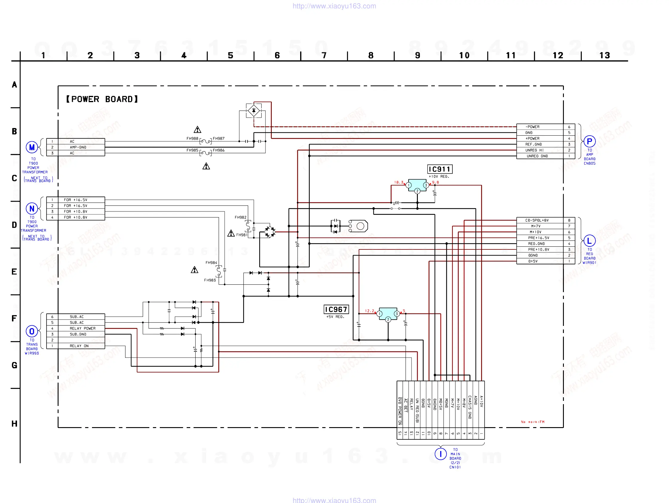
Sony HCD-M333 - 6-25. Schematic Diagram - POWER Board -

Sony HCD-M333
112 pages
Print Icon
To Next Page IconTo Next Page
To Next Page IconTo Next Page
To Previous Page IconTo Previous Page
To Previous Page IconTo Previous Page
Loading...
7474
HCD-M333
6-25. Schematic Diagram – POWER Board –
C972
D992
D993
C992
C982
C984
IC911
C912
EPT901
D902
D901
IC967
CN971
C971
R994
R995
C983
C981
C911
D982
C967 C968
D983
C986
C985
R993
C909
JW911
CN981
CN984
F985
F987
F981
F983
D985
D984
D986
D987
D971
D972
D973
D974
CN998
CN997
CN985
3300
16V
1SS355
1SS355
2.2
50V
22000
16V
4700
25V
TA7810S
47
16V
1SS355
1SS355
TA7805S
5P
0.1
50V
1k
1/4W
22k
1/4W
0.1
50V
0.1
50V
1
50V
D3SBA20
10
50V
47
10V
D3SBA20
0.1
50V
0.1
50V
1k 1/4W
0.001 50V B
JW
4P
3P
11ES-TA2B
11ES-TA2B
11ES-TA2B
11ES-TA2B
11ES-TA2B
11ES-TA2B
11ES-TA2B
11ES-TA2B
15P
8P
6P
*F981, 983, 985, 987
4A/125V : CND
T4AL/250V : EXCEPT CND
*
*
*
*
(Page 72)
(Page 70)
(Page 64)
(Page 70)
(Page 70)
(Page 70)
Ver 1.1 2003.05
w
w
w
.
x
i
a
o
y
u
1
6
3
.
c
o
m
Q
Q
3
7
6
3
1
5
1
5
0
9
9
2
8
9
4
2
9
8
T
E
L
1
3
9
4
2
2
9
6
5
1
3
9
9
2
8
9
4
2
9
8
0
5
1
5
1
3
6
7
3
Q
Q
TEL 13942296513 QQ 376315150 892498299
TEL 13942296513 QQ 376315150 892498299
http://www.xiaoyu163.com
http://www.xiaoyu163.com

Table of Contents

Related product manuals