EasyManua.ls Logo

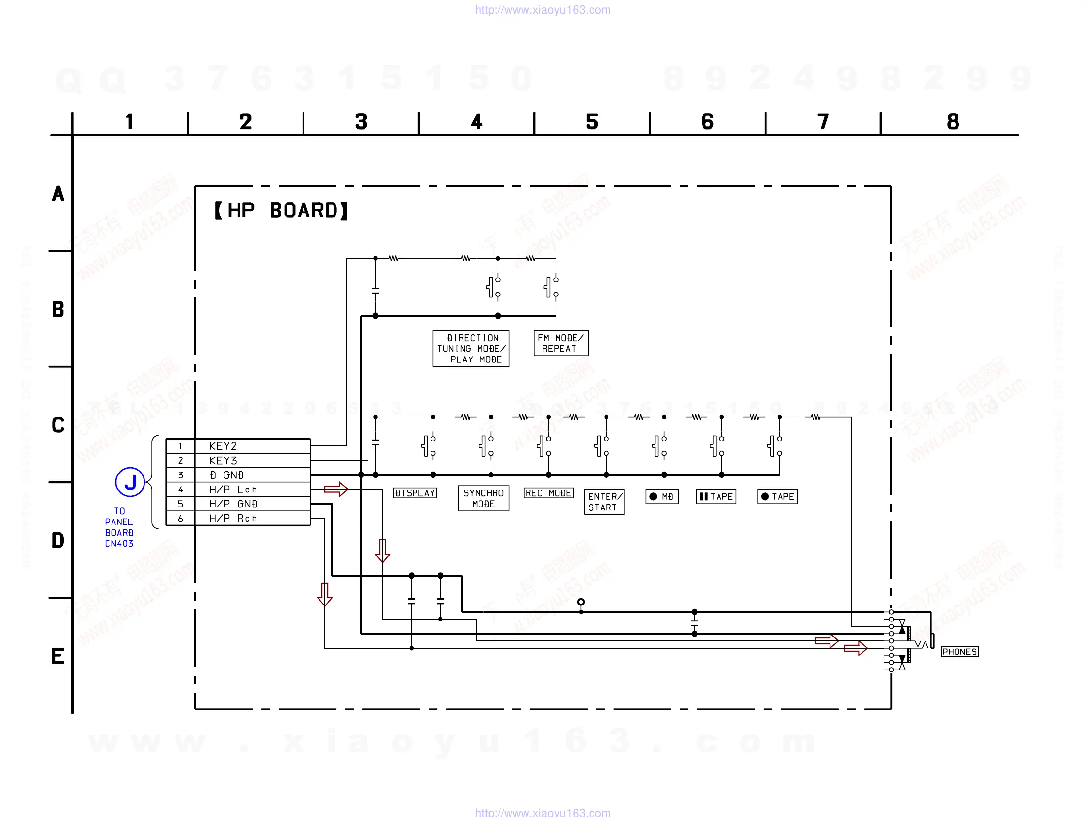
Sony HCD-M333 - 6-17. Schematic Diagram - H;P Board -

Sony HCD-M333
112 pages
Print Icon
To Next Page IconTo Next Page
To Next Page IconTo Next Page
To Previous Page IconTo Previous Page
To Previous Page IconTo Previous Page
Loading...
6666
HCD-M333
6-17. Schematic Diagram – H/P Board –
R425
S434 S435S431 S432
C431
S437
R437
R427
S428
C492C491
C422
R426
WIR404
S427
R431
R432 R433
R434
S433 S436
EP401
J401
R435 R436
10k
0.01
47k
47k
0.001
50V
B
0.001
50V
B
0.01
22k
6P
1k
2.2k 2.2k
4.7k 10k 22k
C493
0.01
(Page 68)
w
w
w
.
x
i
a
o
y
u
1
6
3
.
c
o
m
Q
Q
3
7
6
3
1
5
1
5
0
9
9
2
8
9
4
2
9
8
T
E
L
1
3
9
4
2
2
9
6
5
1
3
9
9
2
8
9
4
2
9
8
0
5
1
5
1
3
6
7
3
Q
Q
TEL 13942296513 QQ 376315150 892498299
TEL 13942296513 QQ 376315150 892498299
http://www.xiaoyu163.com
http://www.xiaoyu163.com

Table of Contents

Related product manuals