EasyManua.ls Logo

Sony HCD-M333 - 6-4. Schematic Diagram - BD (CD) Board -

Sony HCD-M333
112 pages
Print Icon
To Next Page IconTo Next Page
To Next Page IconTo Next Page
To Previous Page IconTo Previous Page
To Previous Page IconTo Previous Page
Loading...
5353
HCD-M333
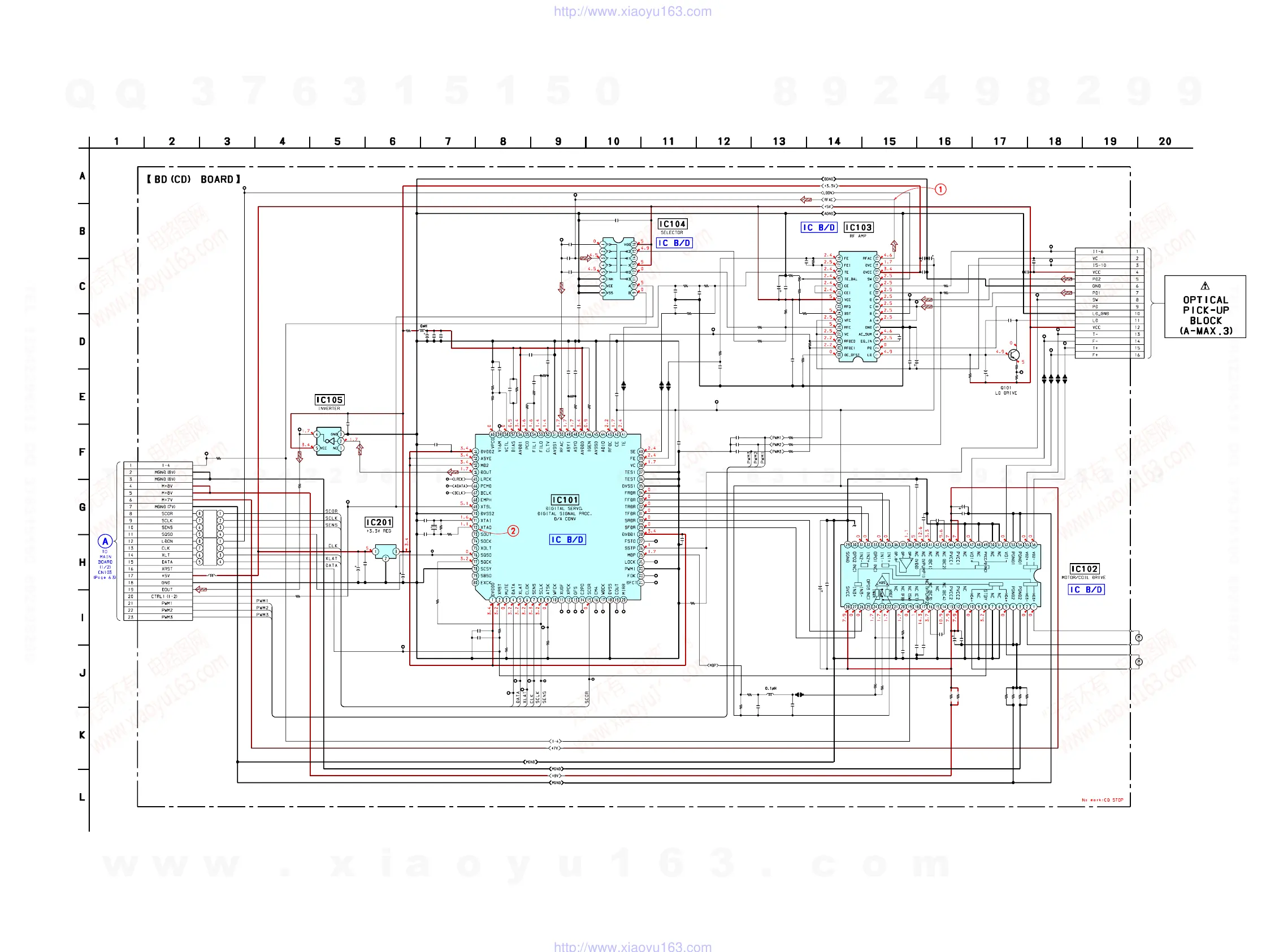
6-4. Schematic Diagram – BD (CD) Board –
• See page 76-77 for IC Block Diagrams. • See page 47 for Waveforms.
TP1
TP2
TP3
TP5
TP6
TP7
TP8
TP9
TP10
TP11
TP12
TP20
TP21
TP22
TP23
TP24
TP25
TP26
TP29
TP32
TP33
TP34
TP35
TP36
TP37
TP38
TP39
TP41
TP14
TP15
TP13
TP16
TP18
TP50
TP51
TP52
TP53
TP54
TP100
IC101
IC201
R118
R215
RV101
C111
C112
C113
C115
C120
C163
C165
C182
C201
C231
IC105
L230
R169
R213
IC104
IC103
Q101
TP46
TP48
TP47
TP31
TP42
TP40
CN102
FB101
IC102
R230
L171
R167
R109
C153
R234
R212
C218
C227
C230 C221 C225
R209
R208
C209
C207
C223
R207
R206
C211
C212
R204
R205
C215
R203
C216
R202
R201
C224
C210
C213
C214
R216
R217
C203
C204
C229
C202
C205
R214
R218
TP3
R226
C101
R102
C102
R103
C104
R105
R104
C103
R112
C107 R120
R116
C117
R114
R113
C109
R126
R125
C110
C108
R122
R124
R123
C114
C119
C118
C219
C222
R219
C234
C235
C236
R227
R228
R229
R152
R151
C151
C152
R178
R179
R177
C171
C167
C179
C178
C164
R165 R166
R168
R170
C232
C169
C168
C166
R115
CN101
TP
TP
X201
M902
M901
RN201
RN202
C253
C254
C255
C252
R111
TP19
TP
TP49
CXD3068Q
BA033FP-E2
47k
47
4V
47
4V
100
4V
47
6.3V
47
4V
100
16V
10
16V
100
10V
220
4V
100
10V
MC74VHC1G0
4DFT1
TC74HC4052 AFT(EL)
CXA2581N-T 4
2SB710A-RT
X
16P
0UH
AN41050
0
0
0
0
0
0
120k
1/10W
0.1
16V
F
100
100
0.1
0.1
33 0.1 0.1
100
100k
220p
0.01
2.2
820k
270k
0.47
470p
10k
1.5k
0.47
100k
0.01
10k
33k
0.1
820p
820p
0.0022
220
4.7k
10p
10p
0.1
0.1
0.1
0
1k
100
470p
15k
0.1
100k
0.0033
1k
15k
470p
39k
33p 120k
33k
0.1
160k
2.4k
0.1
33k
33k
0.1
0.1
100k
10
10
0.001
1
1
0.1
0.1
1k
0.022
0.01
1
33k
220k
680
22k
10k
0.0047
0.001
0
22k
1k
0.01
100p
0.1
0.1
0.1
00
0
0
0.1
0.1
0.1
0.1
33k
23P
(TE)
(DVC)
33.8688MHz
(SLED)
(SPINDLE)
100
100
0.1
0.1
2.2
0.1
120k
(RFAC)
w
w
w
.
x
i
a
o
y
u
1
6
3
.
c
o
m
Q
Q
3
7
6
3
1
5
1
5
0
9
9
2
8
9
4
2
9
8
T
E
L
1
3
9
4
2
2
9
6
5
1
3
9
9
2
8
9
4
2
9
8
0
5
1
5
1
3
6
7
3
Q
Q
TEL 13942296513 QQ 376315150 892498299
TEL 13942296513 QQ 376315150 892498299
http://www.xiaoyu163.com
http://www.xiaoyu163.com

Table of Contents

Related product manuals