EasyManua.ls Logo

Sony HCD-M333 - - MD Section -

Sony HCD-M333
112 pages
Print Icon
To Next Page IconTo Next Page
To Next Page IconTo Next Page
To Previous Page IconTo Previous Page
To Previous Page IconTo Previous Page
Loading...
4949
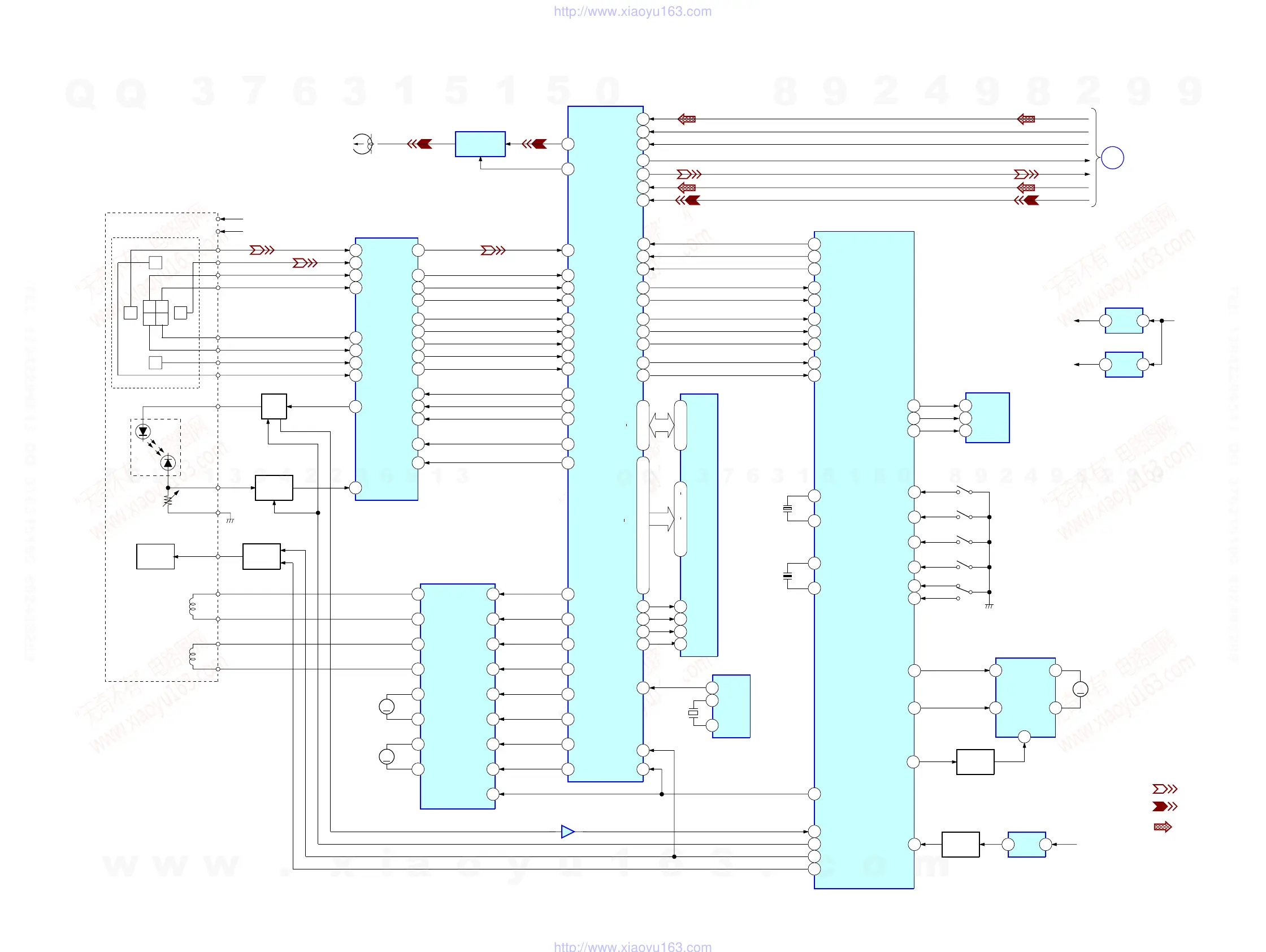
HCD-M333
MD Section
: USB
: PB(MD)
: REC(MD)
• Signal Path
F
E
C
D
B
A
LASER
DIODE
DETECTOR
OPTICAL PICK-UP BLOCK
(KMS-262E)
LD
POWER
PD
LD
B
A
D
E
TRACKING
COIL
FOCUS
COIL
F+
F-
T+
T-
VCC
VC
LD
DRIVE
Q202,203
RF AMP
IC101
E
8
F
9
APC
11
PD
10
MOTOR/COIL DRIVE
IC401
OUT3F
12
OUT3R
10
21
23
27
25
M
M102
(SLED)
6
8
M
M101
(SPINDLE)
14
IN3F
15
IN3R
19
18
29
30
4
16
PSB
TRDR
102
TFDR
103
FRDR
105
FFDR
104
DIGITAL SERVO
DIGITAL SIGNAL PROC.
IC201
RFI
70
35
ABCD
34
FE
26
TE
ABCD
78
FE
79
TE
86
SE
85
26
DOUT
6
SWDT
7
SCLK
8
XLAT
38
XOE
37
XWE
47XRAS
12
XRST
46XCAS
38
RF
28
SE
MD MASTER CONTROLLER
IC702 (1/2)
SCLK
31
24
DIN0
10
SRDT
11
SENS
SRDT
30
16
XINT
+3.3V
REG
1
3
IC933
+3.3V +5V
JI
C
J
I
F
A
4
D
7
I
1
J
2
C
6
B
5
LASER ON
SWITCH
Q201
VR
PD
ILCC
HF MOD
SWITCH
Q701-704
HF
MODULE
MOD
34
AMP
IC701
OUT1F
OUT1R
OUT2F
OUT2R
OUT4F
OUT4R
IN1F
IN1R
IN2F
IN2R
IN4F
3
IN4R
SFDR
108
SRDR
107
33
AUX
37
PEAK
36
BOTM
32
ADFG
16
SWDT
17
SCLK
18
XLAT
20
FCONT
12
APC REF
AUX1
80
PEAK
76
BOTM
77
ADFG
91
DTRF
99
CLRF
98
XLRF
97
FCONT
94
APCR
100
SPRD
109
SPFD
110
10
S.RST
OVER WRITE
HEAD DRIVE
HR901
OVER WRITE
HEAD
EFMO
115
XT
17
IC181
Q181,182
25
DIN1
14
DQSY
13
SQSY
2
MNT1
3
MNT2
DRAM
IC152
SENS
49
XINT
23
DQSY
16
SQSY
18
MNT1
55
MNT2
54
SWDT
29
XLAT
51
D.RST
48
IOP
87
LDON
43
WRPWR
46
MOD
42
15
RPWR
63LOAD-LO
SWITCH
Q721
MOTOR
DRIVE
9
4
2
10
M
M103
(LOADING)
IC781
6
RESET
3
1
IC721
BU +3.3V
SWITCH
Q781
64
LOAD-OUT
65
LOAD-IN
59PROTECT
58
REFELECT
47
REC-SW
50
PLAY-SW
53OUT-SW
45LIMIT-IN
S101
(LIMIT IN)
S103
(OUT)
S104
(PLAY)
S105
(REC)
S102
(REFLECT/PROTECT)
57
SDA
52
SCL
56
EEP-WP
IC195
EEPROM
5
6
7
A00
A10
3
24
25
2
.
43
45
44
42
.
D0
D3
22
4
5
23
..
..
9
12
15
.
19
21
.
8
.
54
56
60
.
59
55
.
.
.
52
.
53
.
51
.
49
.
48
.
50
.
27
DATAI
28
LRCKI
29
XBCKI
+2.6V
REG
1
3
IC926
+2.6V
VCO
5
IC803
8
20
OSC
XIN
13
XOUT
11
X804
X721
10MHz
XCIN
8
XCOUT
9
X722
32.768kHz
1
36
FS256
DOUT
DIN0
DIN1
DATAI
LRCKI
XBCKI
MCLK
11.2896MHz
IN1
IN2
OUT1
OUT2
VC
USB
SECTION
B
w
w
w
.
x
i
a
o
y
u
1
6
3
.
c
o
m
Q
Q
3
7
6
3
1
5
1
5
0
9
9
2
8
9
4
2
9
8
T
E
L
1
3
9
4
2
2
9
6
5
1
3
9
9
2
8
9
4
2
9
8
0
5
1
5
1
3
6
7
3
Q
Q
TEL 13942296513 QQ 376315150 892498299
TEL 13942296513 QQ 376315150 892498299
http://www.xiaoyu163.com
http://www.xiaoyu163.com

Table of Contents

Related product manuals