EasyManua.ls Logo

Sony HDCE-TX30 - VIF-82 Board

Sony HDCE-TX30
99 pages
Print Icon
To Next Page IconTo Next Page
To Next Page IconTo Next Page
To Previous Page IconTo Previous Page
To Previous Page IconTo Previous Page
Loading...
85
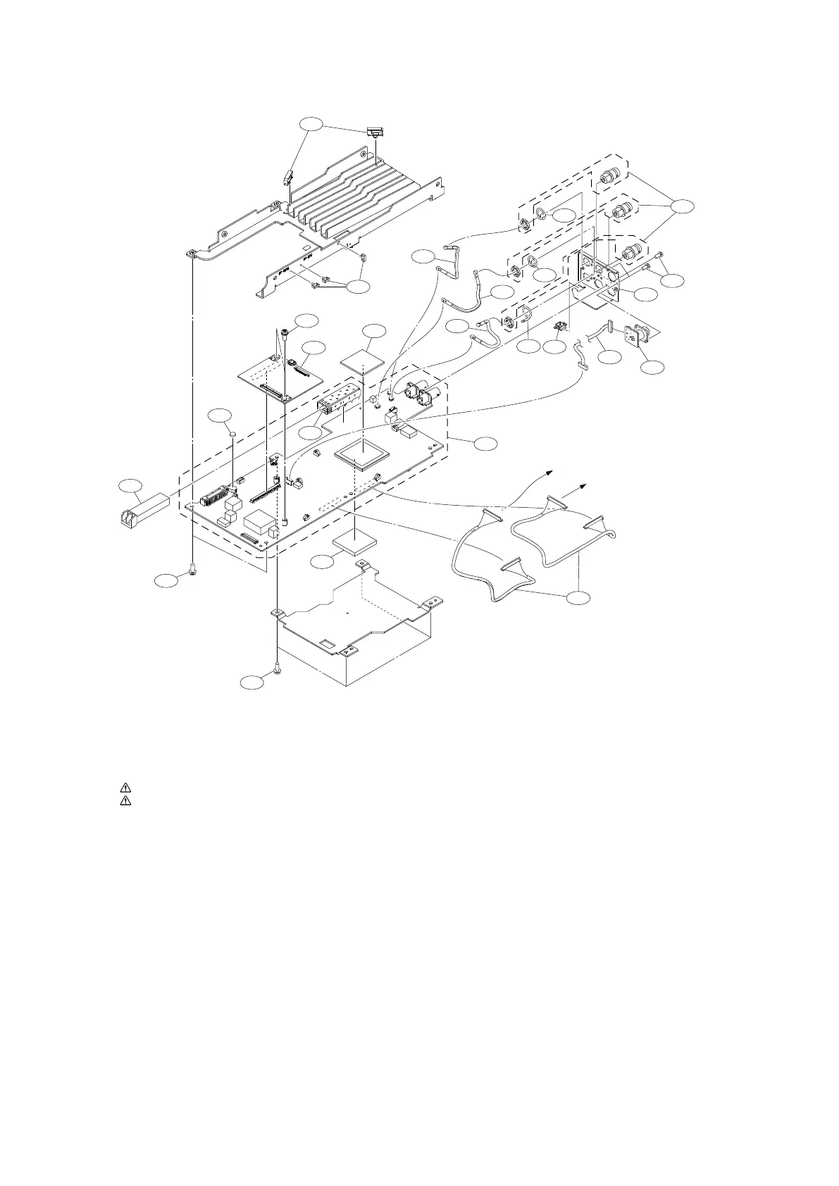
VIF-82 Board
No. Part No. SP Description
301 A-5011-246-A s CN-4131_MOUNT
302 A-5014-715-A s AT-195F_COMPL
303 A-5020-673-A s VIF-82 COMPL
304 1-001-819-11 s COAXIAL HARNESS(60MM)(YELLOW)
305 1-510-039-11 s OPTICAL MODULE (1.8725/3.7G)
306 1-756-134-18 s BATTERY, LITHIUM (SECONDARY)
307 1-784-240-11 s CONVERTER, COAXIAL CONNECTOR
308 1-846-804-11 s HARNESS, COAXIAL(85MM)(ORANGE)
309 1-846-805-11 s HARNESS, COAXIAL(85MM)(GREEN)
310 1-912-710-11 s MICRO COAXIAL CABLE (CA60 260
311 1-967-025-12 s HARNESS, SUB (ILINK)
312 3-906-254-01 o CLAMP
313 4-098-033-01 s SADDLE WIRE (C)
314 4-136-517-01 s WASHER, BNC COAXIAL FIXED
315 4-382-854-01 s SCREW (M3X8), P, SW (+)
316 4-559-446-02 s SCREW, +P2.6X5 NEW TRUSTER
317 4-581-951-01 s CAGE , SINGLE PORT
318 4-587-426-01 s SHEET (2 (35X35)), RADIATION
319 4-641-552-01 o SADDLE, LOCK EDGE
320 5-001-322-01 s SHEET (DPRH), RADIATION
321 5-010-140-01 s BRACKET, REAR CN
To NET
-37 board
To NE
T-37 board
316
321
301
311
319
314
314
314
318
306
303
315
302
317
305
315
320
315
310
312
313
308
304
309
307
!
!

Table of Contents

Related product manuals