EasyManua.ls Logo

Sony HDCE-TX30 - Overall (3;3)

Sony HDCE-TX30
99 pages
Print Icon
To Next Page IconTo Next Page
To Next Page IconTo Next Page
To Previous Page IconTo Previous Page
To Previous Page IconTo Previous Page
Loading...
92
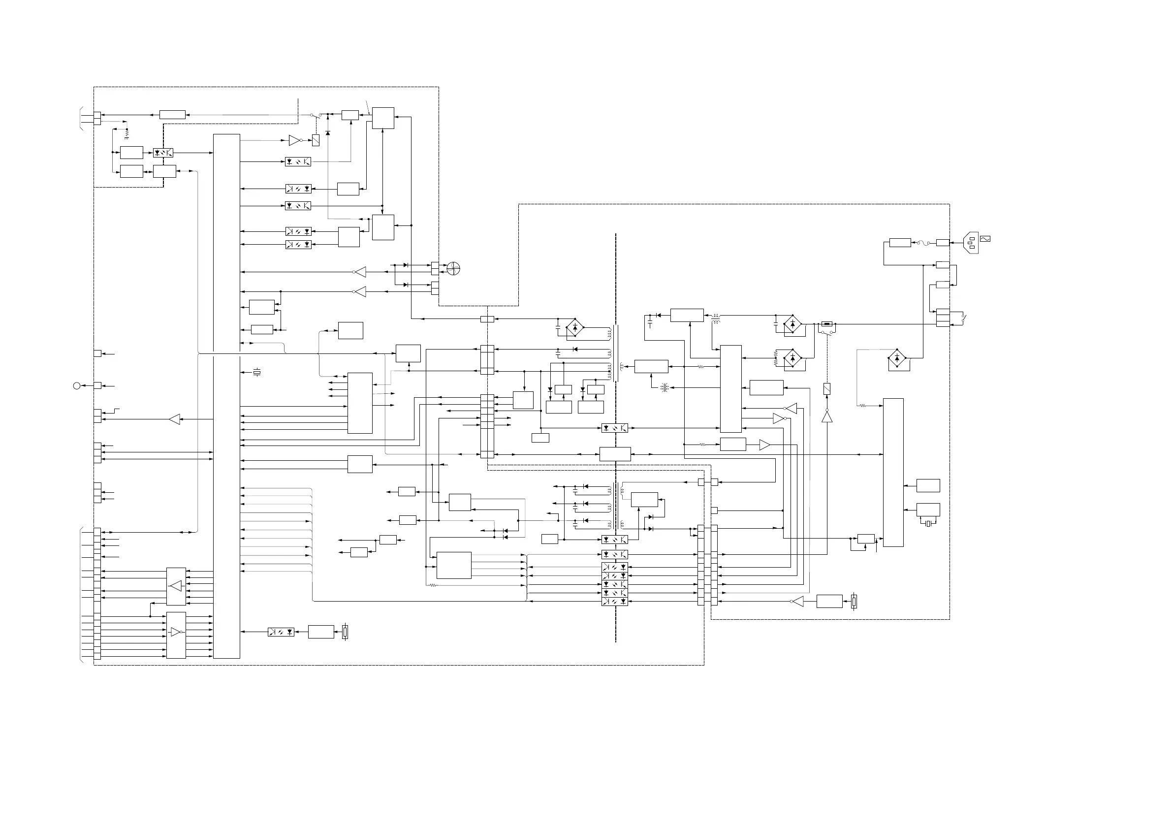
Overall (3/3)
AC INLET
D102
PS-939
FAN_SENSOR2
1
DC FAN
CN2002
PLD
IC5005
Q2013
CHU(HOT)
CHU(COLD)
PH101
D1004,1005
SWITCHING
DRIVER
T101
SWITCHING
DRIVER
SWITCHING
DRIVER
D106
D1001
Q115-118
SYNC
DET
SYNC
DET
IC1002
IC1003
T102
Q1002
Q1001
SW
SW
SW
PRIMARY
SECONDARY
D1001
81002
D2018
+12V_LV
CN2001
CN3001
CN2002
+14V_F
+14V_NET
+14V_R
SHU_BOOT_PETMI T
SHU_BOOT_PETMI T
14V_TOTALOCP
14V_TOTALOCP
+80V
+80V
DC/DC
CONV
IC3004
DC/DC
OVP/LVP
DETECT
IC3007,3008
OVP/LVP
DETECT
IC3002,
Q3003-3005
DC/DC
CONV
DC/DC
CONVERTER,
CURRENT/
OVP/LVP
DETECT
L_+180V_FET_ON
PH1010
IC1001
CURRENT
DET.
IC1003,1004
EEPROM
IC5007,5008
IC2001,2009.2010,
IC2018-2021,
Q2001,2002,2015,2018,
Q2020- 2031
LEVEL
DET.
IC1006,Q1002
PH3004,3005
L_+38V_OVP,
L_+38V_LVP
L_+180V_OVP,
L_+180V_LVP
CHU_REL AY_ON
PH3006,3008
Q3007-3015
+14V
+12V_LV_FROM_DC
+12V_LV_FROM_AC
CHU_CABLE
FROATING
DETECT
IC1005,1007,1008,
Q1001
+15V_HV
+15V_HV
+15V_LV
+12V_LV
+14V_R
+14V_R
PH107
PH104
D1003
D1008
D1007
D1004
D1005
D3014
H_AC_REL AY_ON
L_AC_OFF_DET
PH103
PH105
PH106
PH101
H_PFC_OK
L_CXA_ON
H_ERROR_STOP
L_TEMP_NG
H_AC_REL AY_ON
L_AC_OFF_DET
H_PFC_OK
L_CXA_ON
H_ERROR_STOP
L_TEMP_NG
RE-345
CN104
CN102
CN105
IC101
D104
D105
T101
4
5
6
3
7
2
8
11
TH103
Q114
PFC OK
CXA ON
ERROR STOP LATCH
TEMP NG
+380V_PFC+380V_PFC
+15V_P
+15V_P
+15V_P
+15VPRM_RT
AC RELAY ON
DC/DC
CONV.
IC101
1, 3
1, 3
5, 7
TH101, 102
AC DET
MODE2
Q111,113
IC102(2/2)
Q101-104
L102
CN103
CN1006
L3004-3007
FILTER
1, 3
CN102
AC
POWER
+180V_HV
+380V_HV
+12V_FAN
SDA,SCL
SDA,SCL
X5001
1.8432MHz
IC4001
IC4007
OCP
DETECT
IC4008
CURRENT
DETECT
H_CHU_SHO RT_HIGH
H_CHU_OPEN
CABLE_SHO RT_SENSE
CABLE_SHO RT_SENSE
H_CHU_SHO RT_LOW
H_CHU_SHO RT_HIGH
H_CHU_OPEN
H_CHU_SHO RT_LOW
H_CHU_SHORT_HIGH_180V/280V
H_CHU_SHO RT_HIGH_180V/280V
PH102
+12V_FAN
+12V_LV
PH3007,3008
L_+38V_UCP,
L_+180V_OCP
PH3011
L_240V_OTP
SDA,SCL
SDA,SCL
SDA,SCL
CURRENT_DE T
L_180V_H_240V
PH3003
L_CHU_BOOST_OCP
PH4001
L_TEMP_NG
5
1
CN3002
TO
CN1002
+180V_HV
+180V_HV
H_DC_IN
H_14V_VIF_OCP, H_14V_DPR_OCP
H_RCP_OCP, L_RCP_OVP
L_UNREG_OVP, H_UNREG_LVP
L_RCP_ON, H_14V_TR_ON, H_14V_NET_ON
RCP+30V
+14V_VIF
+14V_DPR
+14V_TRAIX
+14V_C
+14V_VIF
+14V_TRIAX
+180V/+240V
IC3001,3003
,3005-3007
Q3001,3002
DC/DC
CONV
38V-180V
L_DC_IN
1
2
15
1-5
CN5002
RCP_30V
16
12,
13
CN5004
1
CN1003
CN1003
LEVEL
DET
IC102(1/2)
TEMP.
SENSOR
IC1001
,1004
REG
IC1002
REG
+3.3V_LV
IC5004
RESET
IC5011
INITIAL
RESET
+3.3V_LV
IC5010
REG
+8V_HV
IC4004
REG
+3.3V_HV
IC4005
REG
+2.5V_RET
IC2008
REG
AC_OFF_DET
RY3001
Q3006
11
CN101
7
8
9
6
10
5
1
+3.2V_LV
+3.2V_LV
CURRENT
DET.
IC1003,
IC1004
FAN_SENSOR1
NC
CN2003
Q2035
D2020
1
2
SDA,SCL
TH3001
IC3009
TEMP.
SENSOR
RCP_POWER_SRO RT_OUT
+3.3V_LV
+12V_LV
11
2
1-5
CN5001
EPR2
TDI,TDO
16
TMR,TVK
B
TO
VIF-82
BOARD
(2/2)
TO
NET-37
BOARD
L103
FILTER
F101
CN001
1
DC/DC
MAIN
CONTROL
VDD
CLKIN
RESET
+3.3V_
PRIMARY
IC005
REG
IC003
X001
3.58MHz
OSC
SDA,SCL
IC002
RESET
ISOLATION
BUFFER
ISOLATION
BUFFER
IC4001
SDA,SCL
SDA,SCL
SDA,SCL
SDA,SCL
+12V_LV
+12V_FAN
1
9
3-5
CN5003
21
20
19
25
21
24
29
26
28
27
+14V_DPR
RCP_+30V
1,2
CN5006
CN5005
NC
NC
NC
+14V_NET
RILAY_SIGNAL
1-3
SDA,SCL
FAN_ARM_1
FAN_ARM_2
RESERVED_CCU_ A
RESERVED_CCU_B
RESERVED_BPU_B
D103
ON/OFF
LATCH
RY101
Q109
Q105,107,108
D002
Q110,112
IC004
VP
Q106
1, 3
CN101
3-6 3-6
3
1
1
4,5
11,
12
2
7
11
14
1-5
12-
15
9
6
10
CAMER_POWER_ON_IN
SELF_REPOWER
CAM_POWER_BOOST
CAMER_POWER_OFF_OU T
SAFTY_ON/OFF_IN
IC5003,5010,5011
IC5009(1/2)
IC5006,
IC5009(2/2)
OPTICAL
MULTI
CABLE
ASSEMBLY
AC IN

Table of Contents

Related product manuals