EasyManua.ls Logo

Sony PMW-EX280 - Inside Panel; Inside Panel Assembly; SW-1577;SW-1578;SW-1579 Board

Sony PMW-EX280
134 pages
Print Icon
To Next Page IconTo Next Page
To Next Page IconTo Next Page
To Previous Page IconTo Previous Page
To Previous Page IconTo Previous Page
Loading...
2-4. Inside Panel
2-4-1. Inside Panel Assembly
Preparation
1. Remove the battery lid. (Refer to “2-2. Lithium Battery”.)
2. Remove the bottom cover. (Refer to “2-3. Bottom Cover and Tripod Washer”.)
Procedure
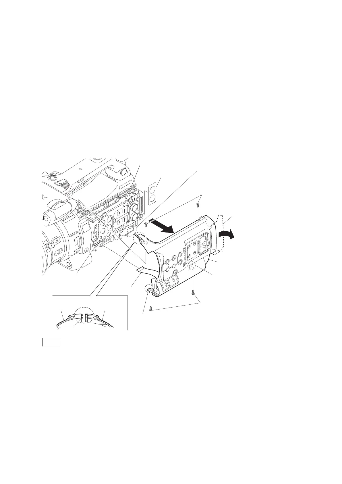
1. Remove the four screws (M2 x 5) and the two claws and open the SxS lid.
2. Pull out the inside panel assembly in the arrow direction.
3. Disconnect the flexible board from the connector CN101 on the SWC-54 board and Remove the inside panel
assembly.
4. Detach the AU cover.
Claw
Inside panel
Outside
panel
Flexible board
CN101
(SWC-54 board)
Claw
Knobs
Inside panel assembly
Precision screws
(M2 x 5)
Precision screws
(M2 x 5)
Section of
engagement
AU cover
Slide switches
Pay attention to interference with SxS slot
assembly during installation.
SxS lid
Note
Align the phase of the slide switch and the knob. At the section of engagement with the outside panel, install the
inside panel assembly so that the inside panel is above the outside panel.
5. Install the removed parts by reversing steps of removal.
2-4-2. SW-1577/SW-1578/SW-1579 Board
Preparation
1. Remove the battery lid. (Refer to “2-2. Lithium Battery”.)
2. Remove the bottom cover. (Refer to “2-3. Bottom Cover and Tripod Washer”.)
3. Remove the inside panel assembly. (Refer to “2-4-1. Inside Panel Assembly”.)
PMW-200/PMW-EX280
2-4

Table of Contents

Related product manuals