EasyManua.ls Logo

Soredex CRANEX 3D - Unit Dimensions and Symbol Meanings

Default Icon
126 pages
Print Icon
To Next Page IconTo Next Page
To Next Page IconTo Next Page
To Previous Page IconTo Previous Page
To Previous Page IconTo Previous Page
Loading...
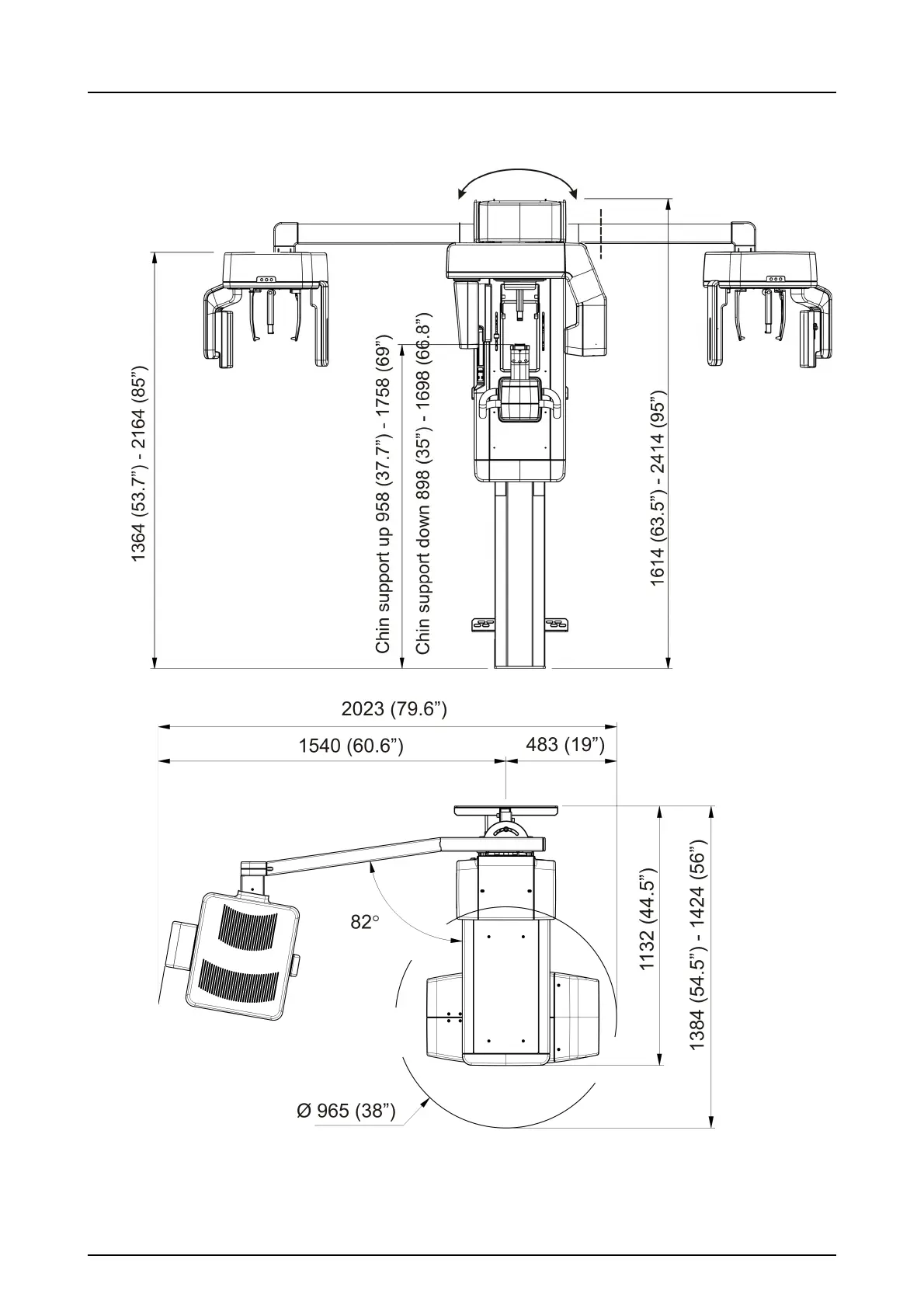
9 Technical data
206718 rev 9
SOREDEX 105
9.2 Unit dimensions
NOTICE! The cephalostat arm and the touchscreen can be
on either side (L/R).

Table of Contents

Related product manuals