EasyManua.ls Logo

Struers AbraPol-30 - Page 66

Struers AbraPol-30
78 pages
Print Icon
To Next Page IconTo Next Page
To Next Page IconTo Next Page
To Previous Page IconTo Previous Page
To Previous Page IconTo Previous Page
Loading...
16302002 A
03-10-8102
03-10-8102FHTILJ
3
3
2
2
1
1
3
12
23
1
raB 4.3
62101MY2 :3Y dna 2Y ,1Y
03001MY2 :4Y
50006HY2 :5Y
04502PH2 :2PB ,1PB
50000FY2 :1PY
01000FY2 :2PY
53001MY2 :
01Y
01-6 erusserp telnI
3 ssalC 1-3758 OSI
89109261
59109261
nwoD
raB 0.6
2Y3Y
4Y
5Y
2PY
1PY
1Y
01Y
1PB
nrut 4/1 nepo
nrut 2/1 nepO
2PB
erusserp toliP
A
tinI .rppA
etad .rppA
tinI .warD
noitpircsed noisiveR
etad .aerC
veR
231 4
F
E
D
A
B
C
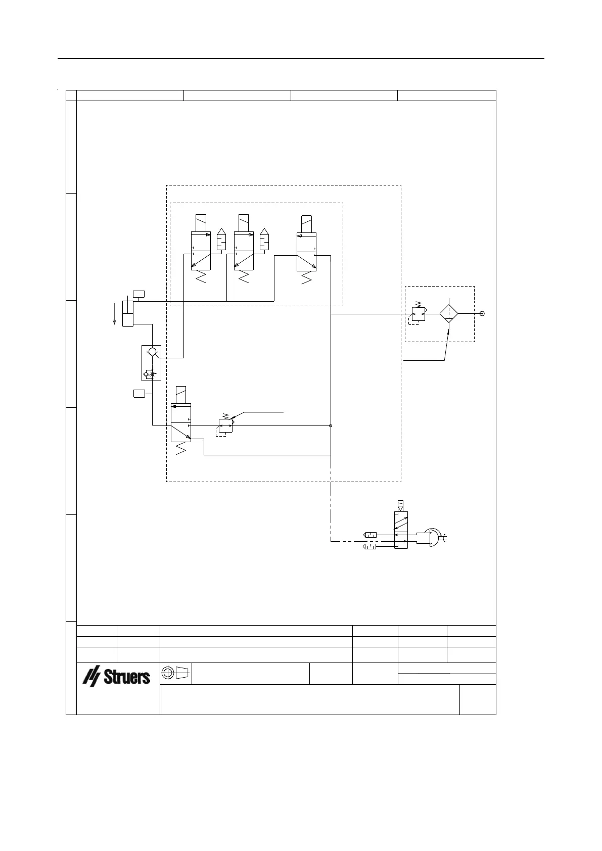
03 loParbA margaid riA 20020361
48 jevpurtsredeP
purellaB 0572-KD
negahnepoC
kramneD
008 00644 54+: enohP
4
0
8
0
0
6
4
4
5
4
+
:
x
a
F
dd-mm-yyyy
dd-mm-yyyy
: thgieW
- 8672 OSI/SD :ecnareloT
g
4A
1:1
:veR
:tamroF
:DI
:elacS
:lairetaM
:noitpircseD
P
RA
evlaV tfihS
S
B
A
66 AbraPol-30
9 Technical data

Table of Contents