EasyManua.ls Logo

Subaru 2002 Impreza - Page 288

Subaru 2002 Impreza
598 pages
Print Icon
To Next Page IconTo Next Page
To Next Page IconTo Next Page
To Previous Page IconTo Previous Page
To Previous Page IconTo Previous Page
Loading...
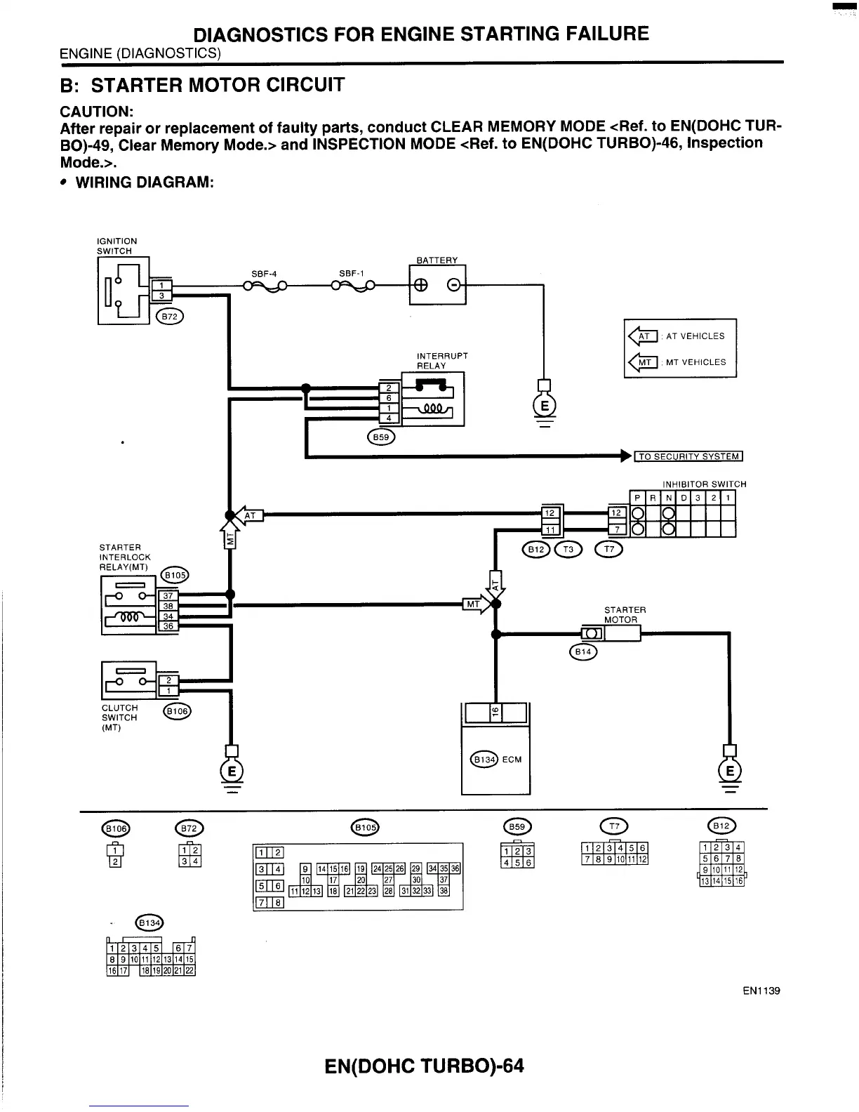
DIAGNOSTICS FOR ENGINE STARTING FAILURE
ENGINE (DIAGNOSTICS)
B:
STARTER MOTOR CIRCUIT
CAUTION:
After repair or replacement of faulty parts, conduct CLEAR MEMORY MODE <Ref. to EN(D0HC TUR-
BO)-49,'Clear Memory Mode.> and-INSPECTION MODE <Ref. to EN(D0HC TURBO)-46, Inspection
Mode.>.
WIRING DIAGRAM:
IGNITION
STARTER
INTER LOCK
INTERRUPT
RELAY
I
TO SECURITY SYSTEM
I
I
STARTER
RELAY (MT)
SWITCH
(MT)
M
@
ECM
-
-
7
8
9101112
EN1139
EN(D0HC TURBO)-64

Table of Contents

Related product manuals