EasyManua.ls Logo

Subaru 2002 Impreza - Page 324

Subaru 2002 Impreza
598 pages
Print Icon
To Next Page IconTo Next Page
To Next Page IconTo Next Page
To Previous Page IconTo Previous Page
To Previous Page IconTo Previous Page
Loading...
DIAGNOSTIC PROCEDURE WITH DIAGNOSTIC TROUBLE CODE (DTC)
ENGINE (DIAGNOSTICS)
E: DTC
PO101
-
MASS AIR FLOW SENSOR CIRCUIT RANGE/PERFORMANCE
PROBLEM (HIGH INPUT)
-
DTC DETECTING CONDITION:
Two consecutive driving cycles with fault
TROUBLE SYMPTOM:
Erroneous idling
Engine stalls.
Poor driving performance
CAUTION:
After repair or replacement of faulty parts, conduct Clear Memory Mode <Ref. to EN(D0HC TURBO)-
49, OPERATION, Clear Memory Mode.> and Inspection Mode <Ref. to EN(D0HC TURBO)-46, Inspec-
tion Mode.>.
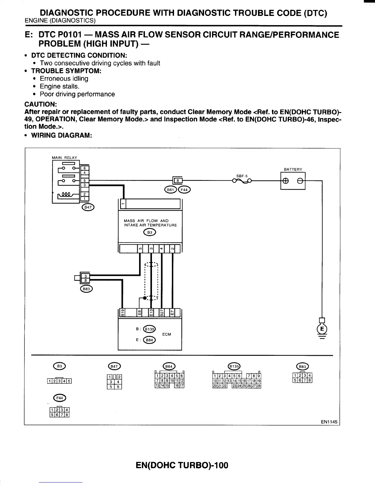
WIRING DIAGRAM:
BATTERY
SBF-5
3c
MASS
AIR
FLOW
AND
1
INTAKE AIZERATURE
1
ECM
r
EN1
145
EN(D0HC TURBO)-I00

Table of Contents