EasyManua.ls Logo

Subaru 2002 Impreza - Page 342

Subaru 2002 Impreza
598 pages
Print Icon
To Next Page IconTo Next Page
To Next Page IconTo Next Page
To Previous Page IconTo Previous Page
To Previous Page IconTo Previous Page
Loading...
DIAGNOSTIC PROCEDURE WITH DIAGNOSTIC TROUBLE CODE (DTC)
ENGINE
[DIAGNOSTICS)
K: DTC PO1 11
-
INTAKE AIR TEMPERATURE SENSOR CIRCUIT RANGE/PER-
FORMANCE PROBLEM
-
DTC DETECTING CONDITION:
Two consecutive driving cycles with fault
TROUBLE SYMPTOM:
Erroneous idling
Poor driving performance
CAUTION:
After repair or replacement of faulty parts, conduct Clear Memory Mode <Ref. to EN(D0HC TURBO)-
49,
OPERATION, Clear Memory Mode.> and Inspection Mode <Ref. to EN(D0HC TURBO)-46, Inspec-
tion Mode.>.
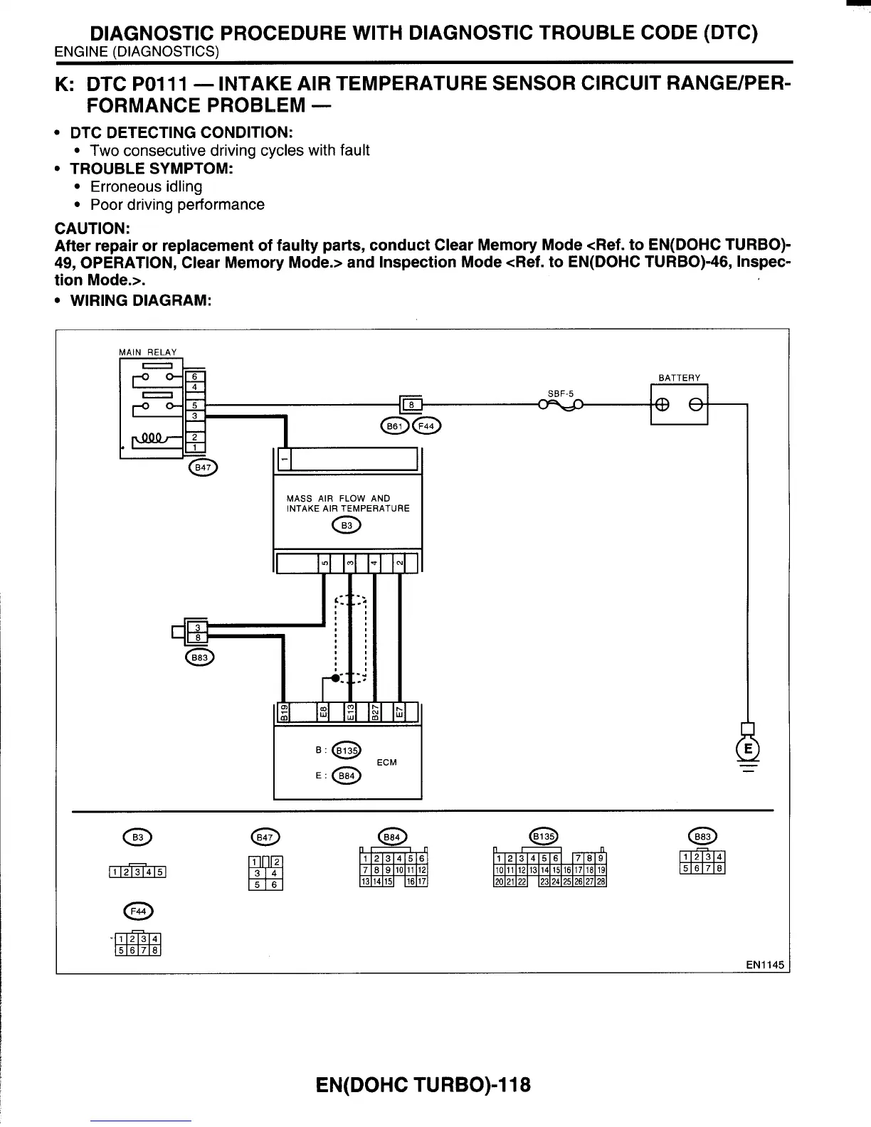
WIRING DIAGRAM:
IAIN RELAY
BATTERY
SBF-5
MASS AIR
FLOW
AND
INTAKE AIR TEMPERATURE
ECM
@
EN1
145
EN(D0HC TURBO)-I
18

Table of Contents

Related product manuals