EasyManua.ls Logo

Sungrow SH10RT - Page 58

Sungrow SH10RT
166 pages
Print Icon
To Next Page IconTo Next Page
To Next Page IconTo Next Page
To Previous Page IconTo Previous Page
To Previous Page IconTo Previous Page
Loading...
46
N-
o.
Cable
Type
Specification
Outer
diameter
Cross section
3 DC cable
Outdoor multi-core copper
wire cable
Complying with 1,000V
and 30A standard
6 ~ 9 mm 4 ~ 6 mm²
4
AC cable *
Outdoor multi-core copper
wire cable
14 ~ 25 mm 6 ~ 10 mm²
5 12 ~ 14 mm 4 ~ 6 mm²
6
Communica-
tion cable
Shielded twisted pair
5.3 ~ 7 mm
2 * (0.5 ~ 1.0) mm²
CAT 5E outdoor shielded
network cable
8 * 0.2 mm²
7
Additional
Grounding ca-
ble *
Outdoor single-core cop-
per wire cable
The same as that of the PE wire in
the AC cable
* If local regulations have other requirements for cables, set the cable specification accord-
ing to the local regulations.
The factors that affect cable selection include rated current, cable type, routing mode, ambi-
ent temperature, and maximum expected line loss.
The cabling distance between the battery and the inverter should be less than 10 m, and
within 5 m is recommended.
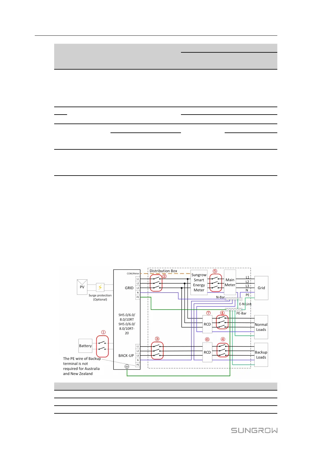
Backup Wiring Diagram(Australia and New Zealand)
The neutral cable of GRID side and BACK-UP side must be connected together according
to the wiring rules AS/NZS_3000. Otherwise BACK-UP function will not work.
NO. SH5.0/6.0RT/8.0/10RT SH5.0/6.0RT/8.0/10RT-20
40A/600V DC breaker *
32A/400V AC breaker
25A/400V AC breaker
6 Electrical Connection User Manual

Table of Contents

Other manuals for Sungrow SH10RT

Related product manuals