EasyManua.ls Logo

TECALEMIT HDA eco - Page 10

TECALEMIT HDA eco
88 pages
Print Icon
To Next Page IconTo Next Page
To Next Page IconTo Next Page
To Previous Page IconTo Previous Page
To Previous Page IconTo Previous Page
Loading...
10 44 1670 001-GB-I
HDA eco
Calculation example to check the flow meter for a given pump:
Maximum flow rate of the pump: 64 l/min
Maximum pulse value =
14400
Flow rate
=
14400
64
= 225
pulse
l
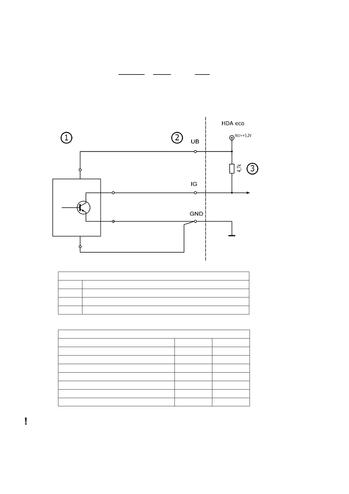
Connection of a flow meter (Typical application):
Explanation
No. Description
1
External flow meter
2
Connection clamp inside HDA eco
3
HDA eco internal
Specification
Parameter min. max.
Operating voltage
4,9V 5,5V
Supply outputcurrent
50mA
Input voltage
-0,20V 5,5V
Treshold level „low“
1,1V
Treshold level „high
3,6 V
Pulse duration, “high” or “low”
1,5 ms
Input pulse frequency
120Hz
If an external power supply is used for the flow meter, the input voltage of the HDA
eco must not exceed the values shown above. Otherwise, the device will perman-
ently be damaged.

Table of Contents