EasyManua.ls Logo

TECALEMIT HDA eco - Interface Pump Motor

TECALEMIT HDA eco
88 pages
Print Icon
To Next Page IconTo Next Page
To Next Page IconTo Next Page
To Previous Page IconTo Previous Page
To Previous Page IconTo Previous Page
Loading...
44 1670 001-GB-I
HDA eco
13
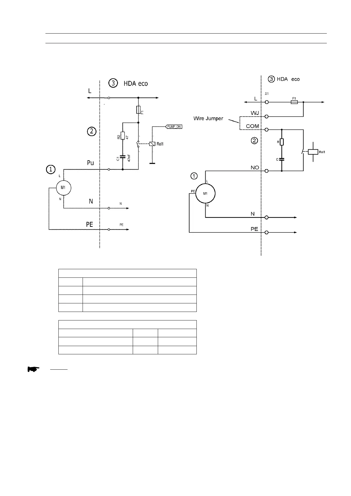
2.5.4 Interface pump motor
Pump motor circuit diagram
HDA eco circuit board version E HDA eco circuit board version F
Key
No. Description
1 External pump motor
2 Terminal block in HDA eco
3 HDA eco, internal
Relay
Parameters Min. Max.
Switching voltage 250 VAC
Rated current 10 A
Note:
If, instead of the pump motor, a contactor is connected, note that in the "off" state of
the pump relay (see above, Rel1) a current of approx. 3.5mA flows through the RC el-
ement of the spark quenching. In the case of sensitive contactors, it may be the case
that they do not drop out.
This can be remedied by using an RC element (e.g. 100 Ohm + 0.47µF, item no.
450300550), and/or an additional resistor parallel to the coil of the contactor. A 10
kOhm resistor with a 7W load capacity is sufficient in most cases.

Table of Contents