EasyManua.ls Logo

Thomas 85 - Page 162

Thomas 85
216 pages
Print Icon
To Next Page IconTo Next Page
To Next Page IconTo Next Page
To Previous Page IconTo Previous Page
To Previous Page IconTo Previous Page
Loading...
5-22
5
5-22
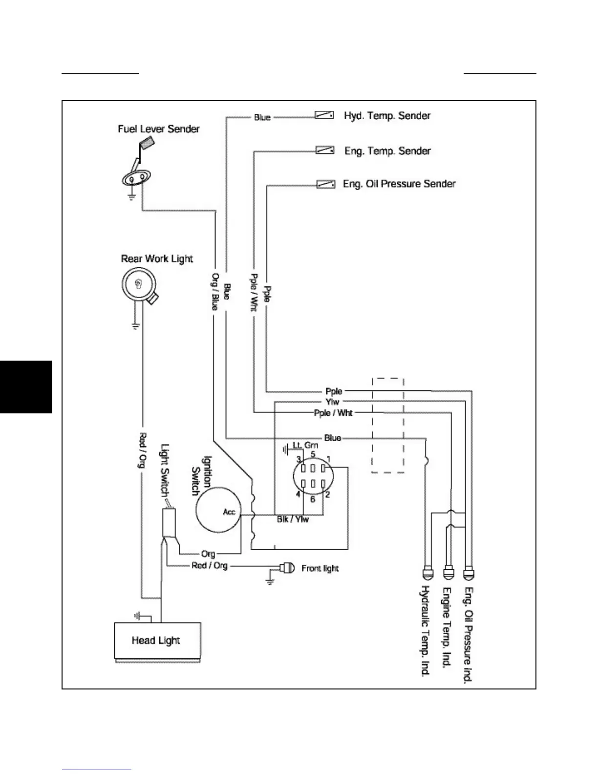
ACCESSORIES CIRCUIT 5.12
C5228

Table of Contents

Other manuals for Thomas 85

Related product manuals