EasyManua.ls Logo

vc999 K7 - Page 18

vc999 K7
121 pages
Print Icon
To Next Page IconTo Next Page
To Next Page IconTo Next Page
To Previous Page IconTo Previous Page
To Previous Page IconTo Previous Page
Loading...
Vacuum Packaging Machine VC999 K7
Description of the machine
Page 18/121 Art.-No. 592.016 2008-11-26
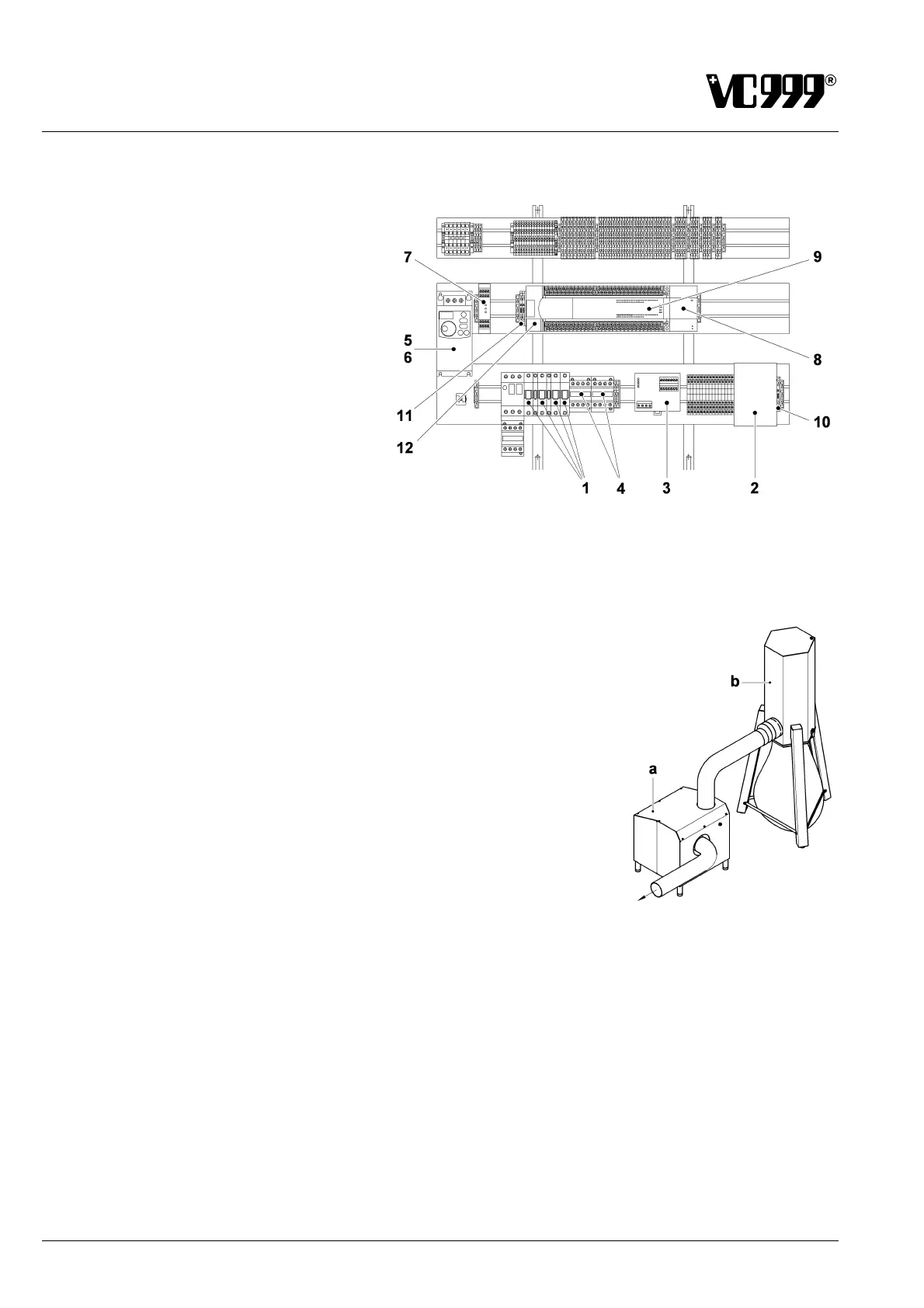
Electrical cabinet with control unit (10)
Legend
1 Circuit breaker
2 Power supply unit 24V
3 Temperature control device
4 Contactor
5 Line filter
6 Frequency converter
7 Safety cutout
8 PLC converter
9 PLC control
10 Microfuse FST 6.3 AT
11 2 microsfuses FST 3.15 AT
12 Buffer battery PLC
Fig. 3/2
The control unit consists of the operating elements fitted in the cockpit and the electronic power element
in the electrical cabinet (Fig. 3/1, Pos. 10). The control unit also receives limit switch and vacuum mea-
surement inputs.
Bag waste suction unit (VC999 K7A)
The bag waste suction unit consists of the bag waste suction
tubes at the Vacuum Packaging Machine (Fig. 3/1, Pos. 12, 21)
as well as the suction blower (a) and the bag waste separator
(b).
Fig. 3/3

Table of Contents

Related product manuals