EasyManua.ls Logo

Waters 600e - Connecting an External Device

Default Icon
162 pages
Print Icon
To Next Page IconTo Next Page
To Next Page IconTo Next Page
To Previous Page IconTo Previous Page
To Previous Page IconTo Previous Page
Loading...
Making Screw Terminal Connections with External Devices 53
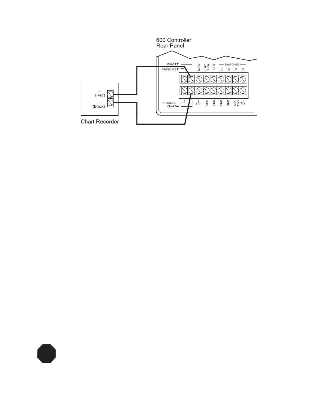
Figure 3-14 Connecting the Chart Recorder to the 600 Controller Chart Terminals
3.5.6 Connecting an External Device
Background
When your system includes an external TTL-level or contact closure device, you can use
switches S1 through S4 on the 600 controller to control external devices. External devices
can include:
Automated switching valves
Fraction collectors
The four external event switches (S1 through S4) control external devices requiring a
time-activated contact closure, TTL-level signal, or open collector signal. Each output
signal is also capable of driving solenoid valves and other power devices requiring up to
1 A control external devices.
S4 is a dedicated output to an external device to indicate a stop flow condition. S4 defaults
to the Off position when a stop flow condition or critical fault occurs. Connect S4 to a
device (such as an autosampler) that must be shut off when an error, such as a
high-pressure shutdown or critical fault, occurs.
Note: Certain external devices (such as automated switching valves) require an auxiliary
+12 V power source. Refer to “Connecting External Devices to Aux +12 V Power” on
page 54 for connection information.
STOP
Attention: If you accidentally short 12 Volts to ground, the auxiliary 12 V fuse will blow.

Table of Contents

Other manuals for Waters 600e

Related product manuals