EasyManua.ls Logo

Wecon VD2F-010SA1P - Page 33

Default Icon
133 pages
Print Icon
To Next Page IconTo Next Page
To Next Page IconTo Next Page
To Previous Page IconTo Previous Page
To Previous Page IconTo Previous Page
Loading...
Wecon VD2 SA Series Servo Drives Manual (Lite V1.1)
WECON technology Co., Ltd
27
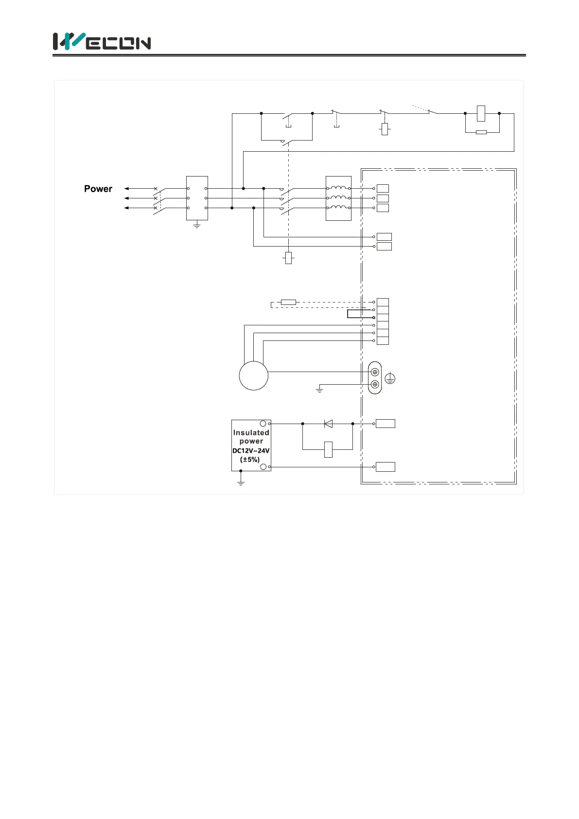
(3) VD2B drive three-phase 220V main circuit wiring



External brake resistor

Motor
(Three-phase)
AC220V,50Hz
Incoming line
Power input
Control power input
Motor output
Short wire
Red
Yellow
Blue
Yellow-green
Inductive surge absorber
Noise filter
External brake resistor
( )Internal temperature control switch
reactor
ALM is output from DO2 by default
can be configured by function code
Figure 4-6 VD2B drive three-phase 220V main circuit wiring

Table of Contents

Related product manuals