EasyManua.ls Logo

Yanmar 4JH4E - Page 200

Yanmar 4JH4E
350 pages
Print Icon
To Next Page IconTo Next Page
To Next Page IconTo Next Page
To Previous Page IconTo Previous Page
To Previous Page IconTo Previous Page
Loading...
5. Inspection and servicing of basic engine parts
180
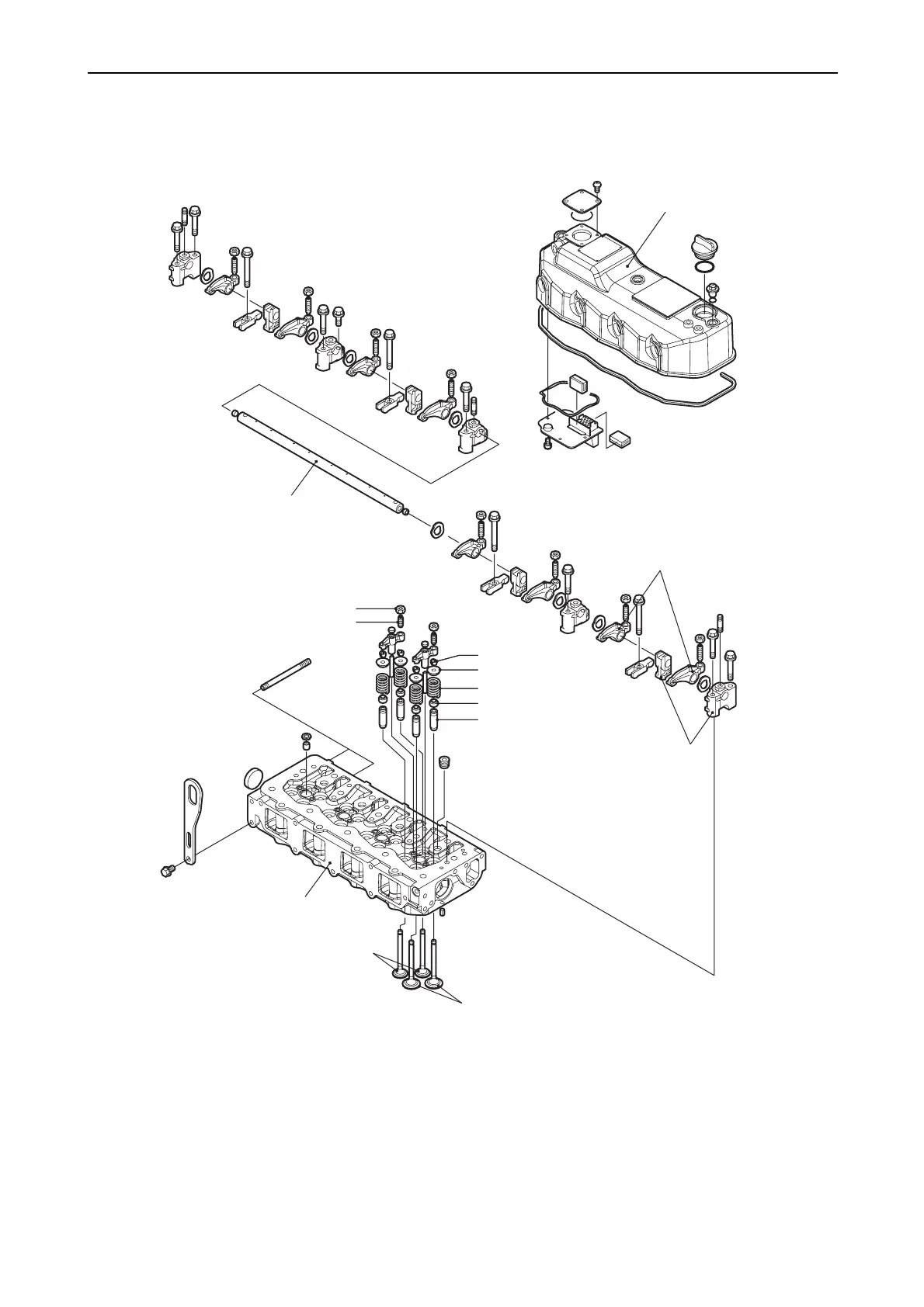
Rocker arm support
Rocker arm
Rocker arm shaft
Adjusting bolt
Valve bridge
Cotter
Valve spring
Spring holder
Stem seal
Valve guide
Cylinder head
Exhaust valve
Intake valve
Rocker arm cove
r
010359-00E
4-valve cylinder head

Table of Contents

Related product manuals