EasyManua.ls Logo

Yanmar 4JH4E - 7 Intake and Exhaust System; Intake System; 3 JH4 E and 4 JH4 E; 4 Jh4-Te

Yanmar 4JH4E
350 pages
Print Icon
To Next Page IconTo Next Page
To Next Page IconTo Next Page
To Previous Page IconTo Previous Page
To Previous Page IconTo Previous Page
Loading...
7. Intake and exhaust system
242
7.
Intake and exhaust system
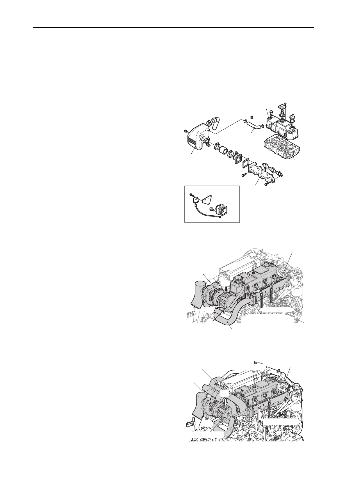
7.1 Intake system
7.1.1 3JH4E and 4JH4E
Air enters in the intake silencer mounted at the end
of the intake manifold. It is fed to the intake
manifold and then to each cylinder.
When the inside of the intake manifold becomes
dirty, intake air resistance is increased and
reduces engine power. Periodically check the
inside of the intake manifold. In the same way, the
intake air silencer should be checked for dirt
periodically and cleaned.
When the intake manifold is being attached to the
cylinder head, the attachment surfaces should
checked for dirt and cleaned. Care should also be
taken to insure there is no air leakage.
Do not operate with the intake air silencer
removed. Air heater is prepared for cold starting as
an option.
7.1.2 4JH4-TE
Air goes from the intake silencer to the
turbocharger. Then it goes to the intake manifold
through the air duct and is fed to each cylinder. Air
heater is prepared for cold starting as an option.
7.1.3 4JH4-HTE
Air goes from the intake silencer to the
turbocharger. Then it goes to the intercooler
through the air duct and return to the intake
manifold through the another air duct and is fed to
each cylinder. Air heater is prepared for cold
starting as an option.
Silencer
(OPTIONAL) Air heater
Rocker arm cover
Breather pipe
Cylinder head
Intake manifold
010645-00E
3JH4E
Air
Air
Intake manifold
Air duct
PT1/8 for boost pressure
measurement
Cylinder head
Intake air silencer
Turbocharger
010703-00E
Intake manifold
Turbocharger
PT 1/8 for boost pressure measurement
Intake air silencer
Cylinder head
Air
Air
014222-00E

Table of Contents

Related product manuals